Комментарии
- Выпуск серийных K2-W начался в январе 1953 года. Производство было отлажено в 1952 году, а принципиальная схема была отлажена ещё в 1940-е годы.
- Компания National Union, основанная в 1929 году при участии капитала RCA, и производившая лампы по заказам RCA, GE и Westinghouse, в описываемое время уже угасала. В 1954 году её электровакуумное производство перешло под контроль Sylvania, в 1960 году бренд National Union прекратил существование.
- В cистеме обозначений Mullard-Philips сдвиг цифр внутрь буквенного кода (ECC83 → E83CC) обозначал особо высококачественный вариант базовой лампы. Электрически ECC83 и E83CC были идентичны.
- Абсолютные максимальные значения — предельные величины эксплуатационных параметров и условий окружающей среды для любого экземпляра данного типа, которые нельзя превышать ни при каких обстоятельствах, даже в самых тяжёлых условиях эксплуатации. Производитель, декларирующий абсолютные максимальные значения, не принимает на себя ответственность за последствия возможных отклонений в характеристиках ламп, напряжения питания и сигналов и так далее.
- Средние расчётные предельные значения — предельные величины режима эксплуатации и условий окружающей среды для образцовой лампы данного типа. Производитель, декларирующий такие показатели, принимает на себя ответственность за работоспособность лампы в этом режиме при любых нормальных отклонениях в характеристиках ламп, напряжения питания и сигналов и так далее.
- Абсолютное максимальное значение при протекании любого ненулевого тока. Для полностью запертой лампы предельно допустимое напряжение равно 550 В.
- Инфракрасные светодиоды непригодны из-за слишком малого, а синие и белые (люминофорные) светодиоды — из-за слишком большого, несовместимого с областью нормальных режимов 12AX7, падения напряжения на диоде.
- Равновесный потенциал гридлика слабо зависит от напряжения на аноде — столь слабо, что им можно пренебречь. Основной фактор разброса — конструктивные различия ламп, работающих в недокументированном режиме
- Бленкоу оговаривает, что это верно лишь для частот, не превышающих 1 кГц. На частотах свыше 1 кГц внутреннее сопротивление транзисторного ГСТ падает, что ведёт к росту нелинейных искажений
- Эффект Миллера порождает расщепление полюсов входного и выходного фильтров. Чем больше ёмкость нагрузки, тем меньше её полное сопротивление на высоких частотах, и соответственно тем меньше коэффициент усиления на высоких частотах. Но чем ниже коэффициент усиления — тем ниже миллеровская ёмкость, и тем выше частота среза входного фильтра. Частоты среза двух полюсов «разбегаются» в разные стороны. Реализовать фильтр второго порядка на миллеровской ёмкости триода невозможно.
- Третья составляющая шума — дробовой шум тока сетки — в типичных применениях 12AX7 отсутствует.
- Точнее, плотность дробового шума обратно пропорциональная крутизне анодно-сеточной характеристики. Для каждой конкретной лампы крутизна монотонно возрастает по мере роста анодного тока.
DataSheet
|
|
|
| Корпус ламп 6Н16Б, 6Н16Б-В, 6Н16Б-ВИ, 6Н16Б-И | Корпус лампы 6Н16Б-ВР |
| Корпус лампы 6Н16Г-ВИР |
Описание
Триоды двойные для усиления напряжения низкой частоты, генерирования колебаний высокой частоты и для работы в релаксационных схемах. Оформление — в стеклянной оболочке, сверхминиатюрное. Масса 4,5 г (для 6Н16Г-ВИР 5,5 г).Основные параметры при Uн = 6.3 В, Ua = 100 В, Rк = 325 Ом (240 Ом для 6Н16Б-ВР, 100 Ом для 6Н16Г-ВИР)
| Параметр | Условия | 6Н16Б, 6Н16Б-В, 6Н16Б-ВИ, 6Н16Б-И | 6Н16Б-ВР | 6Н16Г-ВИР | Ед. изм. |
| Аналог | — | — | — | — | — |
| Ток накала | — | 400±30 | 370±40 | 400±40 | мА |
| Ток анода | — | 6.3±1.9 | 6.3±1.9 | 6.3±1.9 | мА |
| Разность токов анода триодов лампы | — | ≤1.9 | — | — | мА |
| Обратный ток сетки | — | ≤0.2 | ≤0.2 | ≤0.2 | мкА |
| Ток утечки между катодом и подогревателем | — | ≤20 | — | — | мкА |
| Ток эмиссии каждого триода в импульсе | при Uа. имп = Uс имп = 200 В для ламп 6Н16Б-И, 6Н16Б-ВИ | ≥1.2 | — | — | А |
| Крутизна характеристики | — | 5±1.25 | 5±1.25 | 5±1.25 | мА/В |
| Uн = 5.7 В | ≥3 | — | |||
| Коэффициент усиления | — | 25±5 | 25±5 | 25±5 | — |
| Входное сопротивление | f = 50 МГц | 32 | 32 | — | кОм |
| Сопротивление изоляции сетки | — | ≥10 | — | МОм | |
| Напряжение виброшумов | Rа = 2 кОм | ≤75 | ≤50 | ≤75 | мВ |
| Межэлектродные емкости | входная | 2.7±0.7 | 2.7±0.7 | 2.7±0.7 | пФ |
| выходная | 1.65±0.55 | 2.7±0.6 | 2.2±0.5 | ||
| проходная | 1.5±0.5 | 1.5±0.5 | 1.5±0.5 | ||
| между анодами триодов | 0.5±0.15 | ≤0.15 | ≤0.15 | ||
| катод-подогреватель | ≤7 | ≤7 | — | ||
| Наработка | — | ≥750 | ≥2000 | ≥2000 | ч |
| Критерии оценки | |||||
| Обратный ток сетки | — | ≤1.5 | — | — | мкА |
| Крутизна характеристики | — | ≥3 | — | — | мА/В |
| Изменение крутизны характеристики | — | ≤+30-40 | — | — | % |
| Выходное напряжение в импульсе | — | — | — | ≥22.5 | В |
Предельные эксплуатационные данные
| Параметр | Условия | 6Н16Б, 6Н16Б-В, 6Н16Б-ВИ, 6Н16Б-И | 6Н16Б-ВР | 6Н16Г-ВИР | Ед. изм |
| Напряжение накала | — | 5.7-6.9 | 6-6.6 | 6-6.6 | В |
| Напряжение анода | — | 200 | 200 | 200 | В |
| при запертой лампе | 350 | 350 | 350 | ||
| Напряжение сетки отрицательное | — | 50 | 50 | 50 | В |
| Напряжение между катодом и подогревателем | — | 150 | 120 | 120 | В |
| Ток катода | — | 14 | 20 | 20 | мА |
| в импульсе | 0.4 | — | 0.4 | А | |
| Мощность, рассеиваемая анодом каждого триода | — | 0.9 | 0.9 | 1.2 | Вт |
| Мощность, рассеиваемая сеткой каждого триода | — | 0.1 | — | — | |
| Сопротивление в цепи сетки | — | 1 | 1 | 1 | МОм |
| Температура баллона лампы | при нормальной температуре окружающей среды | 170 | 170 | 115 | °C |
| при температуре окружающей среды 200 °C (для 6Н16Б-ВР, 6Н16Г-ВИР — 100 °C) | 250 | 200 | 150 | ||
| Частота генерирования | — | 450 | 350 | — | МГц |
| Устойчивость к внешним воздействиям | |||||
| Ускорение | при вибрации в диапазоне частот 20-2000 Гц | 10 | 20 | 20 | g |
| при многократных ударах | 150 | 150 | 150 | ||
| при одиночных ударах | 500 | 500 | 500 | ||
| постоянное | 100 | 100 | 100 | ||
| Интервал рабочих температур окружающей среды | — | -60…+200 | -60…+100 | -60…+100 | °C |
Описание всех параметров смотрите в буквенных обозначениях параметров радиоламп.
|
|
|
Если вы нашли ошибку, пожалуйста, выделите фрагмент текста и нажмите Ctrl+Enter.
Рубрики
- new
- Авторские статьи
- Акустические системы
- Гитарные усилители
- Ламповые радиоприёмники
- Ламповый фонокорректор
- Микрофонный усилитель
- Питание
- Питание усилителей
- Программы
- Программы для Аудио
-
Радиолампы
-
Октальные
- Пентоды
- Тетроды
- Триоды
-
Пальчиковые
- Пентоды
-
Триоды
Двойные триоды
-
Октальные
-
Схемы усилителей
- Гибридные усилители
-
Ламповые
- Трансформаторы для ламповых усилителей
- Усилители PP
-
Усилители SE
Усилители для наушников
-
Предварительные усилители, тембра, эквалайзеры
Ламповые тембра
-
Транзисторные
- Транзисторные класса «AB»
- Транзисторные класса «А»
- Усилители на IGBT транзисторах
- Усилители для наушников ламповые
- Усилитель для наушников
- Фазоинверторы
- Фонокорректоры
12Ж1Л
В триоде Мю-20 ; S-2,5mA/V ; Ri-8k
EL34
Для раздумий; внутреннее сопротивление EL34 в триодном вкл. порядка 1,2к, УЛ — 7-8к, пентод — 16-18к.
Sapienti sat.
Гэгэн
Для ламп 6С3П в ФИ:
Ea-380V, Ua-145V, Ia-12mA, Ra-18k, Uk-1,5V, Rk общ-620 Ом.
———————————————
6С4С
Пример для 6С4С.
при 2,5к по 2й гармонике 4% третьей 0,1%, выходная мощность 2,85Вт
при 2,8к по 2й гармонике 3,75%, третьей 0%, выходная мощность 2,7Вт
при 3к по 2й гармонике 3,5%, третьей 0%, выходная мощность 2,6Вт
При 3,2к по 2й гармонике 3,4% третьей 0% выходноы мощность 2,5Вт
При 3,5к по 2й гармонике 3,3%, третьей 0,1%, выходная мощность 2,4Вт
при 4к по 2й гармонике 3%, третьей 0,2%, выходная мощность 2,2Вт
при 6к по 2й гармонике 2,4% третьей 0,25%, выходная мощность 1,75вт
При 8к по 2й гармонике 2% третьей 0,3%, выходная мощность 1,3Вт.
При 10к по 2й гармонике 1,8% Третьей 0,33% выходная мощность 1,1Вт
6П36С
4,5к — внутреннее сопротивление 6П36С в ТЕТРОДНОМ ВКЛ. В ТРИОДНОМ порядка 0,65к
Выходное сопротивление SRPP каскада на лампах 6П36 в триодном вкл ~ 180 Ом.
Наибольшая выходная мощность при Rn=2*Rвых = 350-400 Ом.
Комфортная при Rn=3*Rвых. (Ra -600 Om)
Гэгэн
6Ф5П (мю триода — 70), 6Ф4П (65), 6Ф3П (75)
6Ф3П Ктр=31. (Ra=8КОм/8Ом, или 4КОм/4Ома)
——————————————————————————-
SE Трансформатор на железе ОСМ1-0,16
———————————————
Лaмпы in triod: 6Ф3/5П, 6П18/43П, 6П13C/31C/41C, 6LR8, 6KY8.
>> Железо ШЛ32 х 40. Окно 55х19
>> Габариты намотки примерно 49 х 15
Ra-5k, Rn-8 Ohm.
Первичная обмотка
Провод 0,25, в изоляции — 0,3
К-во витков в слое 155
Коэффициент заполнения — 0,95.
к-во слоёв и секций — 4-5-5-4
общее к-во слоёв — 18, витков — 2790
Коэффициент трансформации 24
Вторичная обмотка — 122 витка
Провод 0,7, в изоляции 0,75 в секции два слоя по 61 виток.
Количество секций — 3, соединение параллельное
Порядок намотки 1-2-1-2-1-2-1
Габарит намотки
0,3*18=5,4
0,75*6=4,5
Бумага 20*0,05=1
Общ — 11
Коэффициент вспучивания 1,3.
Высота намотки 11*1,3=14,3 при габарите 15мМ.
Зазор
0,1мМ при токе 50мА
0,12мМ 60мА.
0,15мМ до 80мА
===============
6Э5П
Зелёная нагр. прямая — 1,8Вт
Синяя нагр прямая — 1,5Вт.
Лиловая нагр. прямая — 1,2Вт.
Без учёта КПД однотактного выходного трансформатора.
Для 6Э5П в тетродном вкл, Ri=8k, рабочая точка; Ua=160V, Ug2=150V, Ia=50mA, Ug1=-1,75V; Ra=3k.
Коэффициент динамич усиления ~60.
Если трансформатор 1:1, нагрузка вторички — 2,7-3к, если 1:0,5 — 1,35-1,5к.
При нормальном трансе такой каскад вполне линеен по АЧХ
Параллельно первичке никакого доп. резистора не нужно, разве что, на всяк. случай цепь Цобеля 10к — 3-5нФ. (Гэгэн)
6Ф1П
Примечания
- ↑ 12345678910111213141516171819202122232425262728293031323334353637 Barbour, 1995, p. 13.
- ↑ 123 Barbour, 2000, p. 6.
- ↑ 12 Kittleson and Veil, 2000, p. 9.
- ↑ 12345 Blencowe, 2013, p. 1.
- ↑ 12345678 Barbour, 2000, p. 4.
- Brosnac, D. The Amp Book: A Guitarist’s Introductory Guide to Tube Amplifiers. — Bold Strummer, 1987. — P. 34. — ISBN 9780933224056.
- Falla, J. How to Hot Rod Your Fender Amp: Modifying Your Amplifier for Magical Tone. — 2011. — ISBN 9780760338476.: «Fender’s move to the 7025/12AX7…»
- Кацнельсон и Ларионов, 1968, с. 10, 198.
- ↑ 123 Blencowe, 2020, p. 237.
- Barbour, 2000, p. 8.
- ↑ 12 Barbour, 2000, p. 7.
- Barbour, 1995, p. 14.
- ↑ 12345 Barbour, 2000, p. 5.
- Kevin Deal. Upscale Audio’s Kevin Deal reviews the Gold Lion 12AX7 / ECC83 / B759. Upscale Audio (2014).
- Kevin Deal. Upscale Audio’s Kevin Deal reviews the Mullard 12AX7/ECC83 New Production Re-issue. Upscale Audio (2014).
- Kevin Deal. Upscale Audio’s Kevin Deal reviews the TungSol 12AX7. Upscale Audio (2014).
- ↑ 1234 Blencowe, 2020, p. 128.
- ↑ 12 Philips Tube Data Book. ECC83. Philips (1970).
- Broskie, J. Cathode Follower // The TubeCAD Journal. — 1999. — № October. — P. 3.
- ↑ 12 Кацнельсон и Ларионов, 1968, с. 29—31.
- ↑ 123 Blencowe, 2020, pp. 117—118.
- Blencowe, 2020, pp. 117—118, 119.
- ↑ 123456789 Blencowe, 2020, p. 129.
- Blencowe, M. Triodes at Low Voltages. Linear amplifiers under starved conditions. Merlin Blencowe (2013).
- Neumann and Irving, 2020, p. 46.
- Джонс, М. Ламповые усилители = Valve Amplifiers, 3rd edition / пер. с англ.; под общ. научной ред. к.т.н. доц. Иванюшкина Р. Ю.. — М. : ДМК-пресс, 2007. — С. 302. — 760 с. — ISBN 5970600202.
- Blencowe, 2020, p. 124.
- ↑ 1234567 Blencowe, 2020, p. 150.
- ↑ 12 Blencowe, 2020, p. 244.
- Blencowe, 2020, p. 245—246.
- ↑ 123 Neumann and Irving, 2020, p. 42.
- Neumann and Irving, 2020, pp. 40—41.
- Neumann and Irving, 2020, pp. 41—45, 51.
- Neumann and Irving, 2020, pp. 50—52.
- ↑ 123 Blencowe, 2013, pp. 22—23.
- ↑ 123 Blencowe, 2020, p. 236.
- Blencowe, 2020, p. 229, 236.
- ↑ 12 Barbour, 1995, p. 15.
- ↑ 12 Blencowe, 2020, pp. 136—137.
- ↑ 12345 Blencowe, 2020, p. 204.
- ↑ 12 Blencowe, 2020, p. 199, 201.
- Blencowe, 2020, p. 200.
- Blencowe, 2020, p. 200—201.
- ↑ 12 Blencowe, 2020, p. 202.
- Vogel, 2008, p. 22.
- Кацнельсон и Ларионов, 1968, с. 11, 239.
Sergei Klimanski
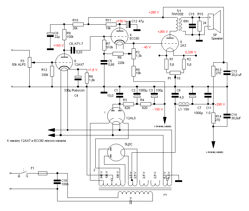
Настоящей публикацией я продалжаю серию материалов по ранее разработанным и сделанным мною конструкциям. То, что написано ниже, посвящено разработке 2007 года ( октябрь ). После своей первой конструкции на 6С33С ( где я мотал сам и сетевик и выходные трансы ), хотелось наконец сделать “настоящий Хай-Энд” на приямонакальном триоде 6С4с.
В литературе имеется множество публикаций на эту тему и это вдохновило меня сделать для дома небольшой по мощности но простенький усилитель на всем хорошо известной лампе 6С4С. Я заказал в фирме “Аудиоинструмент” сетевик и пару выходных трансов TW10SE. В начальном варианте я использовал 6Н2П ( вместо 12АХ7 ), 6Н1П ( вместо ЕСС80 ), 6Х2П ( вместо 12AL5 ) – так что те, у кого нет указанных в схеме ламп, могут смело ставить отечественные ( переделав только напряжение накала с 12,6 на 6,3 В ).
![]()
Однако, как это бывает, в реальной жизни, все оказалось не так просто, как пишут наши уважаемые авторы большинства публикаций в интернете. В процессе сборки и наладки макета выяснилось, обе лампы 6С4С, купленные в Митино оказались браком – они проработали ровно 20 минут, после чего ток анода уменьшился ниже всех допустимых ГОСТом значений ( одна лампа остановилась на 9 мА другая на 29, должно быть 62 плюс минус 20 ). Пришлось привезти новые. 6С4С тогда не оказалось, я взял 6B4G Саратовского завода. Продавец клялся что лампы супер. Не особенно ему доверяя ( а выбора небыло ) я взял 4 лампы чтобы было из чего выбрать. Так вот только 3 их них были по стандарту, одну пришлось присоединить к первой паре 6С4С по той же причине – ток анода быстро упал до 29 мА. Как истинный оптимист, я обрадовался, вот, у меня уже есть пара ламп с одинаковым током анода – одна бракованная 6С4С + такая-же 6B4G
ECC vs non-ECC: влияние типа памяти на производительность процессора
Содержание материала
Страница 1 из 10
В Сети часто можно увидеть на тематических форумах вопросы, касающиеся памяти с коррекцией ошибок, а именно – ее влияние на производительность системы. Сегодняшнее тестирование ответит на этот вопрос.
Перед прочтением данного материала рекомендуем ознакомится с материалами по микроархитектуре Core и платформе LGA1151.
Теория
Перед тестированием расскажем об ошибках памяти.Ошибки, возникающие в памяти, можно разделить на два типа – аппаратные и случайные. Причиной появления первых являются дефектные микросхемы DRAM. Вторые же возникают по причине воздействия электромагнитных помех, излучения, альфа- и элементарных частиц и т.д. Соответственно, исправить аппаратные ошибки можно только путем замены микросхем DRAM, а случайные – с помощью специальных технологий, например, ECC (Error-Correcting Code). Коррекция ошибок ECC в своем арсенале имеет два метода: SEC (Single Error Correction) и DED (Double Error Detection). Первый исправляет однобитовые ошибки в 64-битном слове, а второй детектирует двухбитовые ошибки.Аппаратная реализация ECC заключается в размещении дополнительных чипов памяти, которые необходимы для записи 8-битных контрольных сумм. Таким образом, модуль памяти с коррекцией ошибок при одностороннем дизайне будет иметь 9 чипов памяти вместо 8 (как у стандартного модуля), а при двустороннем — 18 вместо 16. Вместе с этим увеличивается и ширина модуля с 64 до 72 бит.При считывании данных из памяти происходит повторный подсчет контрольной суммы, которая сравнивается с исходной. Если ошибка в одном бите — она исправляется, если в двух — детектируется.
Практика
В теории всё хорошо – память с коррекцией ошибок повышает надежность системы, что очень важно при построении сервера или рабочей станции. А на практике существует еще и финансовая сторона данного вопроса
Если серверу память с коррекцией ошибок обязательна, то рабочая станция вполне может обойтись без ECC (многие готовые рабочие станции разных производителей оснащаются обычной ОЗУ). Насколько же дороже память с коррекцией ошибок?Типичный модуль DDR4-2133 с объемом 8 ГБ стоит порядка 39 долларов, а модуль с ECC – 48 долларов (на момент написания материала). Разница в стоимости составляет около 23%, что весьма значительно на первый взгляд. Но если посмотреть на общую стоимость рабочей станции, то эта разница не превысит и 5% от нее. Таким образом, приобретение памяти с ECC лишь незначительно увеличивает стоимость рабочей станции. Остается лишь вопрос – а как влияет память с ECC на производительность процессора.Для того, чтобы ответить на этот вопрос редакция ServersTech.ru взяла для тестирования модули памяти Samsung DDR4-2133 ECC и Kingston DDR4-2133 с одинаковыми таймингами 15-15-15-36 и объемом 8 ГБ.


На модулях памяти Samsung M391A1G43DB0-CPB с коррекцией ошибок распаяно по 9 чипов с каждой стороны.


В то время как на обычных модулях памяти Kingston KVR21N15D8/8 распаяно по 8 чипов с каждой стороны.
































