Топ-3. TOPPING D50
Рейтинг (2021): 4.80
Учтено 22 отзыва с ресурсов: АлиЭкспресс
Удобное управление
Благодаря информативному дисплею с подсветкой управление становится простым и понятным даже для тех, кто мало разбирается в настройках.
-
Характеристики
- Средняя цена: 15373 руб.
- Частота дискретизации: 44.1–768 кГц, 2.82–22.58 МГц
- Разрядность: 16/24/32 бит
- Мощность: 10+10 Вт
- Входы и выходы: оптический, коаксиальный, USB, AUX
- Соотношение сигнал/шум: 122 дБ
В большинстве случаев ЦА преобразователи подключаются к компьютеру, всю информацию можно получить с монитора и там же отрегулировать необходимые параметры. Но что делать, если входящий сигнал берется, например, с плеера или любого цифрового носителя, не оснащенного дисплеем? В этом случае регулировать параметры приходится на слух. В данной модели все необходимое уже есть на небольшом экране на передней панели. Здесь отображается тип подключения, то есть по какому каналу идет сигнал, громкость воспроизведения, а также его частота. Есть тут и недостатки, а точнее один – сравнительно высокая стоимость. Но покупатели хвалят качество устройства и долговечность, а это уже преимущества, за которые имеет смысл немного переплатить.
Плюсы и минусы
- Поддерживает все PCM и DSD частоты
- Подойдет для Hi-Res аудиозаписей
- Прочный и долговечный ЦАП
- Информативный дисплей для управления
- Два чипа ES9038Q2M для яркого звука с ощутимыми нюансами
- Поставляется без блока питания
- Глубина и громкость зависят от выбранных проводов
↑ Более интересен блок управления
Изначально я проводил вполне успешные эксперименты с готовыми модулями типа MapleMini на базе STM32. Но в данном проекте количество управляющих ног несколько увеличилось, что потребовало применение контроллера в чистом виде. К тому же сбылась моя давняя мечта, и у меня наконец то появился показомер. Все благодаря трудам моего коллеги программиста, что смог адаптировать код управления АЦП для визуализации аналогового сигнала. В проекте еще анализатор спектра, но он пока сырой, и в работу не запущен. Зато обычные линейки с фиксацией пиковых значений вполне нормально работают. Сам контроллер STM32F103CBT6 включён по схеме из ДШ. Встроенный АЦП запитан через отдельный фильтр L2C10C12. Из стандартной периферии используется только SPI. SPI1 рулит дисплеем, SPI2 программирует ЦАП, ресемплер и электронный регулятор громкости на потенциометрах МСР41. Перед АЦП находится усилитель, а точнее буфер на ОУ DA1.
Напрямую подать сигнал на вход контроллера нельзя, АЦП жестко ограничен уровнем 3,3В, поэтому после ОУ стоит делитель R11R12 R17R18. ОУ работает от 5В однополярного питания. Детектирование сигнала не предусматривалось, так как планировался анализатор спектра, а ему нужен именно сигнал, а не его среднеквадратичный уровень. Также буфер отвязывает выход ЦАП от цифровой части устройства.
Программирование контроллера через адаптер Stlink. Так как пришлось отказаться от USB и RS232, по умолчанию включённых в устройствах Arduino, были внесены изменения в исходники и в прошивку. Освободившиеся ноги стало возможно использовать как GPIO. В результате получился вот такой модуль.
На заднем плане – дисплей. Впаивается последним с обратной стороны. Там же кнопки и подсветка. Подсветка нужна для того, чтоб при ночном релаксе не потерять сам ЦАП и не нажать случайно не ту кнопку. С дизайном у меня как обычно напряг, но для информации вполне достаточно.
Кнопки: IN – выбор рабочего входа по кольцу (I2S-Spdif Coaxial-Spdif Optical-I2S и т.д.) SR – Sample Rate после SRC. То есть принимая поток 44,1кГц, на ЦАП я могу подать его же, но уже в 176,4кГц. Переключение по кольцу (44,1-88,2-176,4 и т.д.) PCM DSD – режим работы SRC. Четыре режима для РСМ (PCM-PCM, PCM-DSD, DoP – PCM, DoP- DSD). Два последних работают аналогично двум первым. Два режима для DSD (DSD-PCM, DSD-DSD). Переключение по кольцу. FR – Filter Responce – режим работы ЦФ ЦАП. Для PCM и для DSD отдельно. Все параметры, заданные кнопками, пишутся в память. После включения питания устанавливается последняя рабочая конфигурация.
Громкость
— при нажатии и удержании кнопки Vol+ происходит увеличение громкости, при нажатии Vol- уменьшение. Отпускание – текущее значение остаётся и записывается в память. Крайние значения – 0% и 99%. (для 100% нужно уже три знакоместа, что не лезет по ширине окна, да и стар я уже, чтоб слушать на 100% громкости!).
Индикация уровня сигнала
– диапазон около 40dB, можно расширить немного, но так как измеряется не постоянная составляющая, а мгновенная, то вылезают неточности в работе АЦП на малых уровнях, что вызывает мерцание первого сегмента в паузах. Кратковременное запоминание пиковых значений сигналов (диапазон настраивается программно). Можно задать пики на всю шкалу – но тогда на малых значениях получается каша из пиков и полезного сигнала. В прошивке установлено от 25го сегмента из 48. Запоминание пикового значения настраивается программно – по умолчанию 1000мс.
Измерение частоты семплов – в реальном времени. Сделан «коридор» для погрешности измерения (например от 43900Гц до 44300Гц выводит на экран 44,1). При отклонении от заданного коридором значения – выводит 0,0 и включает реле, блокируя выход ЦАП. Значение после SRC фиксированное, так как оно уже заранее известно.
Как подружить Arduino и STM32 — я уже писал, ну или можно почитать Arduino_STM32/wiki (En.) .
Театр начинается с вешалки?
Театр, может быть, начинается и с вешалки, а конвертер точно начинается с коммутации. У вас с ней как вообще? Если круче CD-транспорта в качестве источника не предвидится, то выбор предопределен. В любом ЦАПе по умолчанию стоят и оптика, и коаксиальный входы, так что вам остается только определиться, где лучше будет звучать ваша фонограмма. Как правило, все выбирают коаксиал, но иногда полная гальваническая развязка оптической связи оказывается полезнее. Но как быть, если вы нацелились на хайрезы?
Что TosLink, что S/PDIF даже по балансному разъему XLR все равно не в состоянии передать РСМ аудиосигнал свыше 24 бит/192 кГц. Существует еще протокол I2S, но пока он встречается довольно редко. Поэтому если вы интересуетесь еще более высокими материями, включая формат DSD, то следует надеяться на USB-интерфейс. Вот через него научились проталкивать 32 бит/768 кГц и DSD512. И здесь получается любопытный анекдот, как в той истории про часовой магазин, где непонятно, который все-таки час и лишь одни поломанные дважды в сутки правильное время показывают. В отличие от более-менее предсказуемых старых вариантов, широта и качество реализации USB-входа оказываются несколько гадательными.
Примерно так выглядит полный набор цифровых входов у серьезного ЦАП. Здесь приведено схематическое изображение модели Mytek Manhattan, у которой помимо стандартного набора присутствуют разъемы для внешнего сигнала синхронизации и Firewire
Прошло более десяти лет со времени первых конвертеров, оснащенных USB-входами, а ведь до сих пор некоторые производители, как ни в чем ни бывало, ставят чип на базе старенького Burr-Brown 2704, который не может работать выше 16 бит / 48 кГц!
Но вообще ответственные разработчики обычно стараются использовать USB-приёмники от компании XMOS, которой тоже, кстати, едва исполнилось десять лет. Сила микроконтроллеров XMOS, как это ни похабно звучит, именно в ядрах, которых так много, что под конкретную задачу можно настроить много чего — и число каналов, и асинхронную передачу, и аудио самого высшего полета. Если вы не уверены в добросовестном USB-входе своего ЦАПа, приобретайте USB-S/PDIF конвертеры, которые, как правило, уже заточены строго под эту задачу.
xCORE-AUDIO Hi-Res 2 — платформа с полной поддержкой аудио 32 бит / 384 кГц и DSD 5,6 Мгц
Итак, перечислим основных производителей цифроаналоговых чипов, которые используются в современных конвертерах. Многие слухачи с опытом утверждают, что именно эти «сердечки» задают темп и тембр вашему ЦАПу.
↑ Для чего нужен ресивер?
Не буду лезть далеко в дебри, расскажу как говориться, «на пальцах». Для чего вообще он нужен, этот ресивер? Что такое SPDIF – знают все, и описывать его не вижу смысла – материалы легко найти в сети. Конструкция большинства внешних ЦАП-ов похожа, и самые простые варианты состоят из двух основных частей – ресивера (DIR — Digital Input Receiver), и непосредственно ЦАП (DAC- Digital to Analog Converter). Внешние тактовые генераторы, цифровые изоляторы и фильтры я пока не рассматриваю, сам до них не дошел еще, там пилотаж повыше нужен. А вот классическую схему DIR+DAC вполне может осилить подготовленный любитель.
Сам по себе DAC, будь то Дельта-Сигма или какой другой, напрямую с этим самым SPDIF не работает, сигналы для него готовит DIR. DIR же получает SPDIF сигнал РСМ от источника — CD-плеера или компьютера. Формат этого сигнала 8-16-24 бит/ 22-192кГц. Первое число разрядность данных, второе – частота, с которой эти данные выбраны при кодировании аналогового сигнала в цифровой поток, еще называемая частотой семплов или Sample Rate. Обычный и самый распространенный 16 бит/44.1кГц. В таком формате кодированы 95% музыки и работают 99% всех цифровых аудиоустройств. DVD, АС3, DSD, SACD не рассматриваем – другой класс устройств. Большинство DAC получают данные в формате шины I2S, а также Left-Justified или Right- Justified формате. Описание этих форматов тоже можно найти – там много и с картинками.
В упрощенном пересказе примерно так: Обычно это три сигнала: 1. BCLK (Bit Serial Clock)
— тактовые импульсы, по срезам которых происходит распознавание нужных пакетов данных.2. LRCK (Left/Right Clock) — сигнал разделения левого и правого каналов – по нему ЦАП распознает, когда данные обрабатывать в левом, а когда в правом канале.3. DATA — поток данных левого и правого каналов – то, что потом волшебным образом радует наш слух.
Есть еще MCLK или Master Clock
– основная тактовая частота, кратная частоте семплов. Этой частотой тактируется весь ЦАП, как процессор в компьютере. Для Дельты обязателен, для TDA1541 и ей подобных не нужен в принципе. MCLK бывает внешним (круто), и восстановленным из цифрового потока (так себе).
Так же некоторые ЦАП-ы могут работать как в режиме Master, так и в режиме Slave. В режиме Master MCLK тактирована кварцем – шибко стабильным, и подается обратно на источник отдельным кабелем, тем самым задавая источнику свою тактовую частоту (круто). В режиме Slave MCLK восстанавливается с помощью PLL из потока или от кварца в приемнике.(считается так себе, но тем не менее работает в подавляющем большинстве ЦАП-ов) В общих чертах пока достаточно, дальше не полезем, по этим вопросам есть куча форумов в сети.
Кто-то спросит – почему нельзя сразу на микросхему ЦАП подать SPDIF и все? Куда милиция производитель смотрит? Ответ прост. Нормальный ЦАП как правило отдельное устройство, выполненное в отдельном корпусе, а бывает один корпус ЦАП-а на левый и один на правый канал. К тому же, CD-плеера, автомагнитолы, компьютерные звуковухи декодируют РСМ поток напрямую, минуя преобразование в SPDIF, поэтому нужные сигналы вырабатывают процессоры этих устройств. Можно конечно выдернуть из источника весь I2S, многие звуковые карты позволяют подобное, но далеко его не утянешь, помехи и прочие неприятности сделают его нечитабельным на стороне обработки, к тому же коаксиал или оптика удобнее витой пары. Да и устройство получается мобильным и гибким в использовании.
Но вернемся к ресиверам.
Texas Instruments /Burr-Brown
Долгожитель рынка, взявший под своего крыло другого долгожителя. Если попытаться суммировать общее впечатление по отзывам на чипы Burr-Brown, то получится крепкий, но не «середнячок». Скажем так, ЦАПы BB – это своего рода, отправная точка, относительно которой конкуренты звучат либо «теплее», либо «холоднее».
PCM1792A
Цена из партии в 1000 шт.: 7,21$. Динамический диапазон 127 дБ, коэффициент искажений 0,0004%.
Его можно встретить как в бюджетных (Asus Xonar, Pro-Ject), так и в High-End решениях (Aesthetics, Antelope, Bel Canto, Cary Audio). Опять дурят честной народ – скажете вы? Не совсем так. Во втором случае, внутренний цифровой фильтр PCM1792А отключен и сам он трудится в паре с внешним DSP процессором. Его наличие, кстати, и определяет породу источника.
Спецификация поддерживает поток DSD, а версия DSD1792 умеет преобразовывать его в аналоговый сигнал напрямую, минуя PCM.
https://www.ti.com/product/pcm1792a
CD-проигрыватель Atoll CD200SE2, внутри стоит чип PCM1792A
PCM1793
Цена из партии в 1000 шт.: 2,29$. Динамический диапазон 113 дБ, коэффициент искажений 0,001%.
Не очень часто встречается среди аудиокомпонентов (Burson, Simadio Moon), зато любим нонеймами и самодельщиками за низкую цену и простоту настройки. Присутствует и версия DSD1793.
https://www.ti.com/product/pcm1793
Плата ЦАПа Burr Brown PCM1793 DAC на базе одноименного чипа
PCM1794a
Цена из партии в 1000 шт.: 7,08$. Динамический диапазон 127 дБ, коэффициент искажений 0,0004%.
Еще один умеренно популярный чип, возможно из-за цены, хотя характеристики его хороши. В номенклатуре также имеется и версия DSD1794.
https://www.ti.com/product/pcm1794a
PCM1795
Цена из партии в 1000 шт.: 2,9$. Динамический диапазон 123 дБ, коэффициент искажений 0,0005%.
Возможно, все дело именно в этом чипе, поскольку немного уступая по характеристикам PCM1794a, он дешевле и имеет красивое разрешение 32 бита. PCM1795 любят в T+A, M2TECH, TEAC, Onkyo, Denon и многих других хай-файных конторах.
https://www.ti.com/product/PCM1795
В SACD-проигрывателе T+A PDP 3000 HV за преобразование цифры в аналог отвечает чип PCM1795
PCM1796
Цена из партии в 1000 шт.: 2,78$. Динамический диапазон 123 дБ, коэффициент искажений 0,0005%.
Схожий с 1795 чип вплоть до распиновки, но уже с размерностью 24 бит. Встретить можно где угодно – и в Accuphase, и у Pro-Ject.
https://www.ti.com/product/pcm1796
Небольшой бюджетный CD-проигрыватель Pro-Ject CD Box DS, работает на чипе PCM1796
PCM1798
Цена из партии в 1000 шт.: 3,31$. Динамический диапазон 123 дБ, коэффициент искажений 0,0005%.
Этот чип любят самодельщики и не обходят вниманием авторитетные производители – PS Audio, Roksan, Simaudio Moon. Если что, PCM1798 также поддерживает DSD-поток
https://www.ti.com/product/PCM1798
PCM5102A, PCM5122
Цена из партии в 1000 шт.: 2,1/2,95$. Динамический диапазон 112 дБ, коэффициент искажений – 93 дБ.
Данная серия стоит особняком и тоже имеет красивую цифру 32 бит и дискретность 384 кГц. Это уже самостоятельные устройства с возможностью автономного питания в цепи асинхронного USB, не слишком требовательные к дополнительной обвязке. Портативные ЦАПы вроде Meridian Explorer или Arcam rPAC – вот это оно самое.
https://www.ti.com/product/PCM5102A/description
Портативный ЦАП Arcam rPAC с асинхронным USB-входом и чипом PCM5102
Обзор ЦАП-ов из Китая (Sabre32 ES9018, CS4398, AD1955)
Работа по созданию серии цифро-аналоговых преобразователей началась еще в году. Изучалась сопутствующая литература, выбиралась элементная база. Были заказаны инженерные образцы от известных производителей. Кстати, на тот момент гиганты полупроводниковой электроники свободно высылали свои детали всем желающим, причем за свой счет. Сейчас к сожалению никто в Россию высылать не хочет, видимо санкции дают о себе знать. К моменту начала проектирования CS в линейку циррусов позиционировался как Flagship perfomance, то есть имеющий наилучшие характеристики. ИМС довольно древняя, начало х годов.
DAC CS + CS . Несмотря на противоречивые отзывы в интернете , я лично работой и звучанием ЦАПа остался очень.
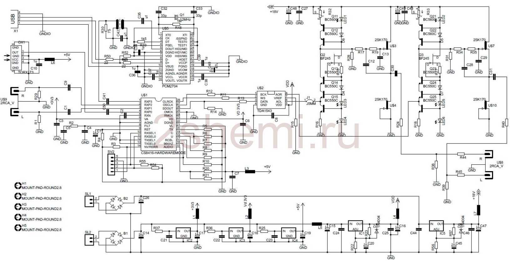
Принципиальная схема цифро-аналогового преобразователя
Проект можно разделить на три блока – это базовый блок, использующий следующие микросхемы: PCM2704, CS8416, TDA1543; модуль управления с контроллером Attiny24; модуль питания.

Выбор именно таких компонентов возможно и не самый оптимальный, конечно есть более лучшие решения. Но они работали успешно в предыдущих проектах цифро аналоговых преобразователей звука, а значит доказали хорошую повторяемость.

Вход SPDIF, который здесь выполнен на CS8416, может работать в двух режимах. Здесь выбран более простой вариант – аппаратный режим. Так что дополнительно есть встроенный входной селектор 1 из 4. Все эти входы используются в данном проекте. Один в качестве оптического, еще два в качестве коаксиальных входов, и последний для входа USB. Здесь пригодился чип PCM2704, потому что CS8416 не поддерживает интерфейс USB. Чип PCM2704 представляет собой полноценный цифроаналоговый преобразователь со входом USB, но использовалась только часть его возможностей. Просто нужно было преобразовать сигнал USB в формат SPDIF. Микросхема PCM2704 питается от разъема USB и имеется гальванически развязана с остальной частью устройства.

Возвращаясь к CS8416. Этот чип может обрабатывать различные форматы вывода. Печатная плата спроектирована так, чтобы можно было выбрать два резистора, используя место монтажа. I2S – для датчика TDA1543 или EIAJ – для датчика TDA1543A. Таким образом, устройство может быть адаптировано для работы с одним из упомянутых преобразователей. В заводских решениях преобразователей с TDA1543 преобразование тока в напряжение обычно применяется как активное на операционных усилителях. В любительских – много сторонников пассивного преобразования на резисторах. Здесь применена активная дискретная система. Кроме того, эта система была оснащена простым фильтром нижних частот.

ЦАП (хотя микросхема CS8416 работает в режиме аппаратного режима) управляется микроконтроллером. Для управления выбран один из небольших микроконтроллеров AVR, Attiny 24. Он управляет включением / выключением устройства, изменением входа и индикацией.

Управлять ЦАП можно с помощью простой двухкнопочной клавиатурой или дистанционно с помощью соответствующих кодовых команд RC5, указанных на разъеме для пульта дистанционного управления на задней панели устройства.

Для питания всего цифро аналогового преобразователя звука был сделан блок питания на базе трансформатора TS8 / 38. Был перемотан трансформатор на три независимых вторичных обмотки. Два напряжения ~ 8 В и одно ~ 16 В. Первое, после выпрямления и стабилизации, используется для питания системы управления, а второе связано с реле для подачи питания. Это более высокое напряжение от трансформатора также переключается реле, что в свою очередь служит для питания преобразователя I / V и фильтров нижних частот на главной плате.
































