Содержание / Contents
Многие отважные парни выбрасывают конденсатор, ставя перемычку, тем самым подвергая транзистор VT2 угрозе воздействия постоянного смещения через вход сразу оговорюсь — в исключительном случае.
Боковые панели алюминиевые, они одновременно служат радиаторами и внешними стенками.
А выход предусилителя я подключил напрямую ко входу усилителя мощности.
После прослушивания в течение нескольких дней музыки в различных стилях классика, джаз, рок, электро могу сделать следующий вывод — к прослушиванию на встроенном усилителе от колонок Microlab Solo я врядли вернусь. Замена электролитических конденсаторов на входе усилителя мощности на Wima. При детальном рассмотрении замечено, что до меня был заменен один выходной транзистор, и сильно паяный трансформатор. От этого Амфитона она не дефицит, и много где валяется на просторах инета!!!
Замена реле схемы защиты и изменение функциональности этой схемы. Я намеренно не делал никаких усовершенствований в схемотехнике усилителя мощности. Далее, случайно замкнул выход одного из каналов, защита не сработала — сгорел только один из выходных транзисторов. Обошлось малой кровью.
Дальнейший опыт показал — возиться стоит. А если просто гул и всё-тогда однозначно выход.
О процессе реанимации и результатах оной — в этом посте. Больше следов вмешательства не заметил.
Пункт пятый: в оригинале этого усилителя была установлена плата корректора звукоснимателя. Лицевая панель так же из алюминия. А насчёт выходов — верняк! Предварительные усилители, оконечные усилители, узел защиты и стабилизатор.
Амфитон 002 после ремонта
Восставший из ада, или возвращение в строй усилителя Амфитон 50У-202C
Я этого делать не стал чуть ниже расскажу почему.
Для линейности выходного каскада вещь непоследняя. Кроме того я внёс определенные изменения в схему защиты, а именно убрал защиту по превышению выходной мощности индикацию превышения не трогал , оставив только защиту аккустических систем от постоянного напряжения на выходе никому ведь не хочется, чтобы сгоревший транзистор в выходном каскаде утащил за собой в могилу ещё и колонку.
Ручки регуляторов и кнопки выполнены из литого алюминия.
Что касается тонкомпенсации: То тут, чтобы сдвинуть частоту подъёма в сторону низких частот, С1 был мной увеличен с 0,22 до 0,33мкф. Если вас эти характеристики устраивают, лучше пропустите эту часть.
Фон и посторонний треск исчезает после того, как закрывается экранирующая крышка, в основном его «ловит» плата темброблока. Причём лёгкость и прозрачность звучания на акустическом джазе и классике не мешают им достаточно драйвово отрабатывать Metallica и Manowar.
Схемы усилителей
Ещё при покупке я обратил внимание на то, что он явно вскрывался. На слух посторонних звуков нет на любой громкости слушал как музыку, так и тестовые диски
Фона как небывало. Боковые панели алюминиевые, они одновременно служат радиаторами и внешними стенками. Обошлось малой кровью.
Сообщение от rippi выкинуть из головы заумные мысли,слова Может сразу выпотрошить его и использовать как неплохой корпус с готовым трансформатором для усилителя — самоделки?
Действительность внесла коррективы. Замена реле схемы защиты и изменение функциональности этой схемы.
Мой «Амфитон 25У 002С»
Бриг-001-стерео

0 Смотреть все фото в галерее
Данный интегральный усилитель с 1975 года выпускали два завода — Ленинградское объединение «Океанприбор» и Кировский . В нем были входы для ММ-головок звукоснимателя, а также линейные входы для подключения магнитофона, тюнера и других источников. Присутствовал встроенный темброблок для высоких и низких частот, предусмотрена система мягкого включения, а также защита от короткого замыкания на выходе. Номинальная выходная мощность на 8 Ом составляла 50 Ватт на канал, вес усилителя – 15 килограмм. Стоила модель от 550 до 625 рублей и производилась, в том числе, в корпусе из лакированной ДВП.
2.
Человек, знающий о музыке все
Современному человеку свойственно использовать музыку в самых разных целях. С ее помощью нам удается расслабиться и улучшить собственное настроение, а также активизировать мыслительные процессы.
В то же время большинство сограждан отдают предпочтение определенному музыкальному стилю. Но есть и такие, кто готов слушать практически любые композиции в любое время суток. Человека, который придерживается подобной позиции в отношении выбора музыкальных композиций, и называют меломаном.
Что значит «меломан»?
Ценители музыки встречаются повсеместно. Они просто не представляют своего существования без самых разных композиций, которые позволяют им ощутить эмоции, близкие к эйфории. Такого человека называют меломаном, отмечая тот факт, что он готов слушать любое направление.
Это ясного говорит о том, что меломан не имеет конкретных предпочтений. Настоящие представители данного направления отличаются тем, что не просто слушают новые и классические композиции, но и хорошо разбираются в их истории. Они знают различные нюансы биографии десятков, а то и сотен исполнителей.
Сам термин начинает зарождаться в 19 столетии, когда появляется все больше музыкальных направлений. Тем не менее, вначале своего существования данное понятие имело несколько иную трактовку. В частности, его использовали в отношении человека, просто увлеченного музыкой.
https://youtube.com/watch?v=yVphW1T9pO8
Немало фанатов в 20 столетии начинают коллекционировать произведения в различных жанрах, используя самые разные носители:
- пластинки;
- бобины;
- кассеты;
- диски.
Поэтому для него понятие направления в музыке имеет вторичное значение
Если музыка является действительно качественной и заслуживает того, чтобы ей уделили внимание, то для меломана не будет никакой разницы в том, кто является ее исполнителем и какие музыкальные инструменты были использованы при создании композиции
Признаки меломана
Ценитель музыкальных произведений не редко должен сталкиваться со сложным выбором. Ведь сегодня исполнителей уже несколько миллионов по всему миру и при всем желании ознакомиться со всеми ними за период жизни не удастся.
Настоящему меломану будет не сложно определиться со стилем даже тогда, когда он первый раз в своей жизни слушает композицию. Многие могут сделать вывод уже по обложке альбома о том, какое направление будет в нем превалировать. Меломан может быть заядлым коллекционером и собирать не только автографы, но и диски с коллекционным изданием любимого альбома.
Как стать меломаном?
Следует понимать, что соответствующей инструкции просто нельзя даже представить. Ведь нельзя заставить человека ценить музыку без оглядки на определенные жанры. Подобный талант может либо быть, либо человек будет жить без него.
Меломану стоит регулярно расширять собственнику кругозор в музыкальной сфере. Он должен постоянно проявлять интерес к творчеству прочих исполнителей. При этом он не должен зацикливаться только на мировых звездах. Для тех, кто действительно интересуется музыкой, меломания является одним из лучших выборов. Ведь в этом случае человек не будет зацикливаться на определенном стиле, расширяя свои познания.
Меломан обычно выбирает несколько интересных направлений в музыке, при этом, он с готовностью будет слушать и композиции из других стилей. Только со временем человеку приходит осознание того, что стиль является менее важным, чем качество.
Об истории советских усилителей
Аудиотехника в СССР начала развиваться сразу после создания страны. Первый стереоусилитель в стране поступил в серийное производство в 1927 году, и с тех пор в стране появлялись новые разработки. За всю историю СССР в серийное производство поступили несколько десятков моделей (около 30) усилителей. Одни из них остаются довольно качественными даже в наше время, другие же не особо отличились даже для своего времени. Тем не менее, есть несколько удачных моделей, которые выглядят достойно спустя несколько десятилетий.
Те, кто много сталкивается с советскими усилителями, крайне не рекомендуют покупать аудиотехнику сделанную в конце 80-х и начале 90-х годов. Качество усилителей в это время значительно пострадало из-за политической обстановки в стране. Куда легче найти рабочий усилитель 70-х, чем рабочий же конца 80-х. Также особенность техники этих годов в том, что элементы усилителей часто подвергались замене, и это видно невооруженным взглядом. Это является еще одним подтверждением ненадежности усилителей того времени.

Надёжный усилитель 70-х годов
Корвет УП-078С/ Корвет 200УМ-088С

0 11.
Связка предварительного усилителя и усилителя мощности. Предусилитель Корвет УП-078С с начала 1991 года выпускался Кировским . Он был предназначен для коммутации, усиления и частотной коррекции сигналов с проигрывателя винила с ММ или МС головкой звукоснимателя, проигрывателя компакт-дисков, тюнера и двух магнитофонов. Усилитель мощности Корвет 200УМ-088С с 1990 года выпускался на том же заводе. Он имел солидную для советской усилительной техники мощность – до 180 Ватт на 8 Ом, а также предельно низкие собственные шумы и искажения. Аппарат был построен по схеме двойного моно, имел световые индикаторы включения питания, перегрузки выхода, срабатывания устройств защиты. Размеры модели были 430х375х130 мм, весила она 13 килограмм.
12.
↑ 2. Оконечные усилители
Обычный ремонт, похвастаться особо нечем. Замена поджаренных эмиттерных резисторов R32 и R33, замена вышедших из строя транзисторов, подбор их в пары, замена подстроечных резисторов на многооборотные, замена «глиняных» конденсаторов на трубчатые и плёночные, замена ВСЕХ электролитических конденсаторов, замена конденсатора ООС С5 = 50 мкФ на неполярный, какой был под руками = 220 мкф.
Закорачиваем вход. Устанавливаем «0» на выходе оконечника. Затем выводим ток покоя выходных транзисторов. В данном усилителе я выставил 50 мА. По выработанной годами привычке я пользуюсь автомобильными лампами, включёнными в разрыв проводов питания. Так спокойнее. В этом случае использовались лампы 24 В на 21 Вт, соединённые последовательно (в каждом плече питания).
И, естественно, замена выходных разъёмов.
Я посчитал, что мне хватит и одной пары выходов, поэтому одно реле на защиту и одну пару старых гнёзд пришлось удалить. Из плюсов данной операции — меньше коммутационных проводов по выходам, к тому же кнопка переключения «Основных и дополнительных АС» превратилась в MUTE. Да, ещё заменил хрипящий регулятор громкости на новый (благо нашёл у себя в закромах).
Ток покоя в Амфитон 002
Народ! У кого какой ток покоя в выходном каскаде УМ Амфитон 002. У меня был 6 миллиампер, при этом радиаторы практически не грелись. Никакой ступеньки в синусоиде я не ощущал на АС и не наблюдал на осциллографе. Потом начитавшись по интернету про токи покоя выяснил что он должен быть 40-200 мА (про 200 мА точно помню было написано в документе Усилитель ультра Hi-Fi класса из Амфитон У-002, там же написано что температура радиаторов при т-ре окружающей среды 35гр. при этом была 80гр. — НО РАЗВЕ ЭТО НОРМАЛЬНО. — это ж обжечся можно, пожар устроить с такой температурой, да и установить 200 мА у меня не вышло — не хватило подстроечного резистора). Установил 60 мА. Радиаторы начали греться до 45 градусов в открытом состоянии (а ведь у меня усилитель должен стоять на закрытой сверху узкой полке), да и конденсаторы электролитические нежелательно нагревать излишне. Но есть ещё одна фишка, при токе покоя больше 40 мА на выходе усилителя начинает быть слышна синусоида, конечно черезвычайно незначительная по уровню, но всё же заметная на слух через наушники и осциллографом, т.е. чтобы установить ток покоя больше 40 мА придётся менять кондёры в фильтре питания этак так на 10000 мкф на плечо вместо стоящих у меня сейчас 5000 на плечо (импорт). Хотя по-моему виновата здесь и неодинаковость выходного напряжения на транхформаторе по плечам. У меня оно в одном канале (дайте вспомнить) разнится где-то на 0,8 вольта, а в другом 1,4 вольта; а ведь на этом напряжении есть также и пила сетевого напряжения(не помню какой амплитуды) которую никак не удаётся сгладить полностью. (Ну если только не разориться рублей этак на 1000 и не поставить кондёры по 100000 мкФ). Так что я установил ток покоя 20 мА, при этом радиаторы на усилителе стоящем на полке нагреваются максимум до 38 градусов при 26 градусах температуре в комнате — это по-моему нормально. А какой ток покоя установлен у ВАС?
Юпитер-квадро

0 Как и все советские аппараты, предназначенные для работы в квадрофонической системе, этот усилитель был выпущен совсем небольшой партией. Если уж во всем мире формат не получил должного распространения, то что говорить о Советском Союзе. Данный аппарат с 1975 года выпускался Львовским ПО им. Ленина и должен был поставляться в комплекте с четырьмя АС, были предусмотрены и выходы на стереофоничесике и квадрофонические наушники. Уровень сигнала регулировался поканально и контролировался стрелочными индикаторами. Мощность в квадрофоническом режиме составляла 16 Ватт на канал, при работе в стерео она удваивалась. Весила модель 15 килограмм и предлагалась за 500 рублей.
3.
Восставший из ада, или возвращение в строй усилителя Амфитон 50У-202C
Я этого делать не стал чуть ниже расскажу почему.
Для линейности выходного каскада вещь непоследняя. Кроме того я внёс определенные изменения в схему защиты, а именно убрал защиту по превышению выходной мощности индикацию превышения не трогал , оставив только защиту аккустических систем от постоянного напряжения на выходе никому ведь не хочется, чтобы сгоревший транзистор в выходном каскаде утащил за собой в могилу ещё и колонку.
Ручки регуляторов и кнопки выполнены из литого алюминия.
Что касается тонкомпенсации: То тут, чтобы сдвинуть частоту подъёма в сторону низких частот, С1 был мной увеличен с 0,22 до 0,33мкф. Если вас эти характеристики устраивают, лучше пропустите эту часть.
Фон и посторонний треск исчезает после того, как закрывается экранирующая крышка, в основном его «ловит» плата темброблока. Причём лёгкость и прозрачность звучания на акустическом джазе и классике не мешают им достаточно драйвово отрабатывать Metallica и Manowar.
Схемы усилителей
Ещё при покупке я обратил внимание на то, что он явно вскрывался. На слух посторонних звуков нет на любой громкости слушал как музыку, так и тестовые диски
Фона как небывало. Боковые панели алюминиевые, они одновременно служат радиаторами и внешними стенками. Обошлось малой кровью.
Сообщение от rippi выкинуть из головы заумные мысли,слова Может сразу выпотрошить его и использовать как неплохой корпус с готовым трансформатором для усилителя — самоделки?
Действительность внесла коррективы. Замена реле схемы защиты и изменение функциональности этой схемы. Мой «Амфитон 25У 002С»
Акустика и усилители
К выбору акустики стоит отнестись со всей ответственностью, так как она практически является фундаментом всей системы проигрывания. Неправильный выбор может свести к нулю все достоинства аудио. В свою очередь, верный только приумножит их. Подбирать акустическую систему необходимо в соответствии с размерами помещения.
Подбор усилителей зависит от типа акустической системы. Активная изначально самодостаточна, в ней есть встроенный механизм для увеличения звуковых частот. Пассивная нуждается в усилителе. Ее преимущество в том, что с ней ты можешь экспериментировать с разными вариантами подключений.
Сочетание этих двух компонентов напрямую влияет на качество музыки в соответствии с ее форматом. Усилитель через аудиовходы наращивает сигналы. Благодаря такому симбиозу получается хороший, качественный звук. Чтобы лучше их совместить между собой, можно выбирать оба компонента от одной и той же фирмы, которая уже позаботилась об их сочетаемости.
Корвет УП-078С/ Корвет 200УМ-088С

0 11.
Связка предварительного усилителя и усилителя мощности. Предусилитель Корвет УП-078С с начала 1991 года выпускался Кировским . Он был предназначен для коммутации, усиления и частотной коррекции сигналов с проигрывателя винила с ММ или МС головкой звукоснимателя, проигрывателя компакт-дисков, тюнера и двух магнитофонов. Усилитель мощности Корвет 200УМ-088С с 1990 года выпускался на том же заводе. Он имел солидную для советской усилительной техники мощность – до 180 Ватт на 8 Ом, а также предельно низкие собственные шумы и искажения. Аппарат был построен по схеме двойного моно, имел световые индикаторы включения питания, перегрузки выхода, срабатывания устройств защиты. Размеры модели были 430х375х130 мм, весила она 13 килограмм.
12.
Ремонт усилителя
Как и вся советская техника, это устройство отлично поддается ремонту. При выходе из строя какого-либо компонента заменить его не составит никакого труда. Нужно только правильно определить, что именно сломалось. А дальше все пойдет, как по маслу. Однако для того, чтоб отремонтировать усилитель самому, нужно хоть немного разбираться в радиотехнике. Без этого нечего даже лезть во внутренности «Амфитона-002». Ремонт прост еще и потому, что найти подходящие детали или их аналоги — не проблема. Достаточно зайти в любой радиомагазин. Конденсаторы, обмотки, провода, трансформаторы — все это есть в продаже.
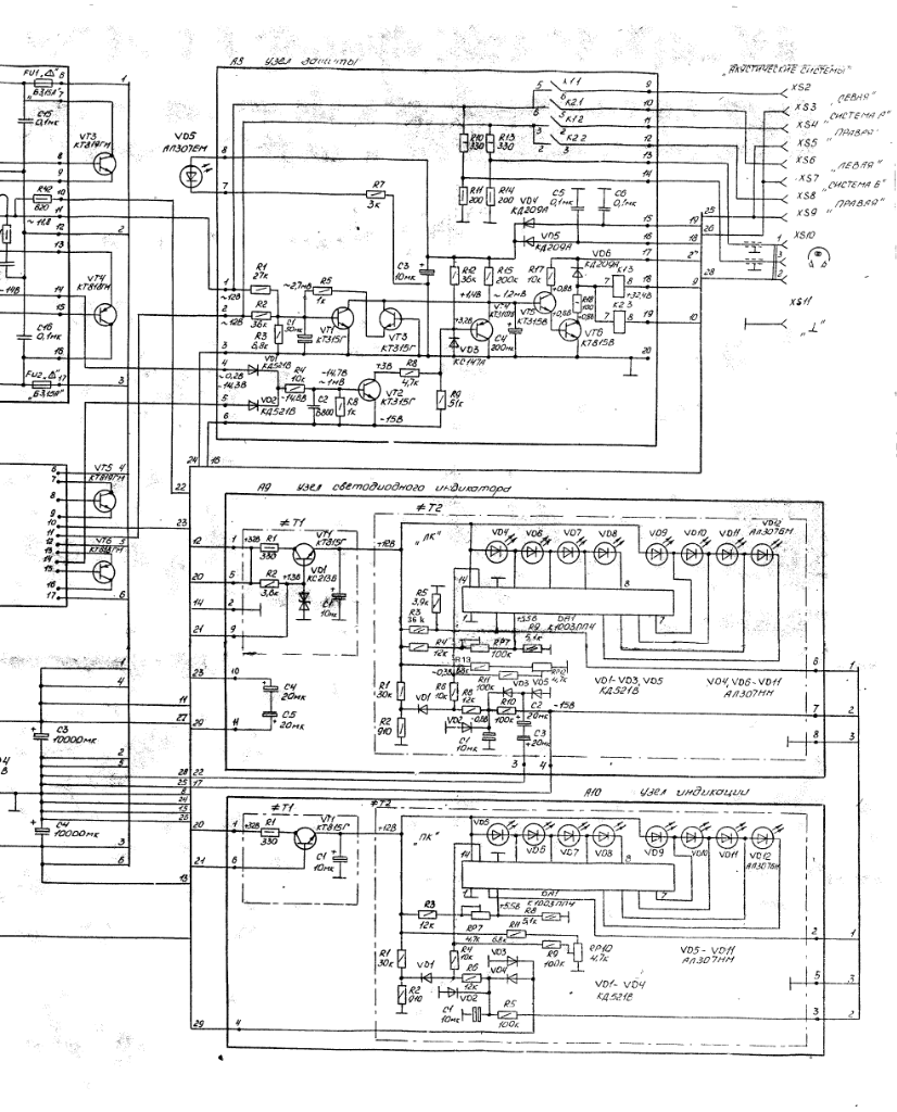
Однако есть еще одна особенность ремонта «Амфитон-002». Схема усилителя должна в обязательном порядке присутствовать перед глазами. Без нее разобраться в том, что намудрили советские инженеры не представляется возможным. Если же вы не имеете времени для того, чтобы починить усилитель, то можно занести его в любую мастерскую. Там с радостью возьмутся за ремонт сего агрегата. И возьмут не особо дорого, ибо детали дешевы. А для ремонта нужен всего лишь обычный паяльник.
Присоединяйтесь к обсуждению
Вы можете опубликовать сообщение сейчас, а зарегистрироваться позже. Если у вас есть аккаунт, войдите в него для написания от своего имени. Примечание: вашему сообщению потребуется утверждение модератора, прежде чем оно станет доступным.
Похожие публикации
Здравствуйте. Собственно достался усилитель Одиссей-у010, в довольно печальном состоянии. Не совсем комплектный, и не совсем исправный. Сейчас усилитель уже условно работает, но есть некоторые моменты. В левом канале без проблем выставился ноль на выходе, но не получается выставить ток покоя. При нагреве усилителя ток покоя растёт, усилитель греется. Замеряю на падении напряжения на эмиттерных резисторах, при нагреве напряжение поднимается до 150 миллиВольт, подстроечным резистором можно только поднять, опустить не получается. Пробовал заменить резистор (брал со второго канала) — без результата. Выпаивал VT17, прозванивал — исправен, впаял вместо него новый — ничего не изменилось. Диоды VD8-11 прозванивал не выпаивая (очень сильно перепаханная плата, страшно лишний раз греть) — не пробиты и не в обрыве. В правом канале с током покоя всё хорошо, но не получается выставить ноль на выходе, хотя значение в 15 миллиВольт меня может и устроит. Тоже самое, параметры регулируются, но в большую сторону, резистор выкручен до упора, а надо бы ещё. Осцилографа нет (
значит очень маленькое напряжение или не удалось измерить
Здравствуйте, если кто знает куда и что паять на данном фильтре, подрисуйте мне пожалуйста на мое фото, типа плюсовую клемму НЧ паяй сюда, выход с усилителя и так далее. буду очень признателен!
Всем привет дорогие форумчане, попался на ремонт усилитель Лорта у75-101с, проблема была изначально в блоке защиты, сгорел КТ972а VT7 около реле. Ну и за одно решил поменять все конденсаторы на плате.
Заменил все конденсаторы и началось. как и говорил один человек на форуме профилактика влетит куда более большие деньги, но не суть. Значит начали гореть на усилителе один за другим транзисторы, поменял на УМ все транзисторы кроме выходников. Далее начали гореть микросхемы УД708 в предусилителе, заменил все 4. Заменил регулятор так как тот треснул и внутри керамика раскололась.
Сама суть вопроса. Всё заработало, играют колонки, я радуюсь и после часа работы очень жестко начинают греться транзисторы VT3 КТ973а и VT6 КТ972а в блоке защиты, их вышибает блок защиты отключается и на VT7 нету напряжения на него оно тупо не приходит (сами усилители целые и постоянки на выходе нету). Хочу понять причину сего, почему их изначально вышибло куда смотреть чтобы с другими не повторилось.
И ещё одно как выставить ток покоя и нуль. А то не врубаюсь. если можно популярно доступным языком. Буду очень благодарен. и ещё вот фотки усилителя и схема И для наглядности было и стало
Источник






























