↑ Доработка корпуса 15АС-109
Подробно останавливаться не буду, т. к
описано много раз, остановлюсь на самом важном. Это тщательная герметизация, заливка всех стыков и щелей снаружи и изнутри
Желательна проверка с помощью программы LIMP – щели очень хорошо видны. Желательно стамеской удалить потеки эпоксидки на лицевой панели, выровнять неровности.
Установить внутри туго распорку между передней и задней панелями. Я поставил брусок сечением 20×40 мм. Распорку ставить между отверстиями под динамики.
Под пищалки Alphard TW-302 пришлось сделать дополнительную панель с отверстием под магнитную систему, она внутри. Шурупы через отверстия в пищалке ввинчиваются в эту панель, и она притягивает головку к лицевой панели.
Под динамики вырезаны прокладки из искусственной замши. Шурупы рекомендую заменить на более современные.
Отверстия под акустические провода залить клеем, установить сзади пружинные зажимы, к сожалению, нормальные терминалы с винтовыми зажимами установить не удалось из-за недостатка места.
При желании корпус снаружи можно покрыть лаком или облагородить иным образом. Внутри корпус обязательно плотно заполнить распушенным синтепоном, но оставить проход между отверстием трубы ФИ и НЧ динамиком.
Вместо поганой штатной пластмассовой панели я сделал рамку из тонкого ламината и натянул на неё ткань типа «канва». Крепление рамки к корпусу через «липучку» — просто и не надо сверлить отверстия. По неопытности я поставил слишком длинные отрезки липучки и снять рамку оказалось ох как непросто!
Join the conversation
Какой предел ставить, зависит от емкости. Если и есть какой-то битый, то уж явно не все.
Я получил свой усиль для просмотра боевиков с взрывающимися вертолетами, я доволен. Может пищалка вообще того
С фото проигрывателя можно ознакомиться здесь , схема проигрывателя здесь.
Следует оговориться, что тестировал каналы я внешней нагрузкой, так как ткнуть джек в телефон всяко проще, чем завести пластинку, тем более на разобранном проигрывателе. Кондеры в этой Веге слышно. Надо в инете схему фильтров твоих колонок взять и сравнить с тем что есть на самом деле.
Я ее отпаивал, и слушал один НЧ. И имеет ли смысл заменить кабель идуший к компу от веги и от веги к её колонкам на более качественный? Я вот тут разбирал Вегу на днях. Лучше найди и скачай схемку на Вегу и все встанет на свои места.
И вот на днях, при просмотре очередного боевика с взрывающимися вертолетами, я понял, что смотреть подобное кино на встроенных в плазму пищалках — то еще неудовольствие. Если просто сам процесс завораживает, то Вега вполне сгодится.
А кабель джек 3,5-DIN5 был спаян мной. Я вот тут разбирал Вегу на днях.
СтОит заменить электролиты — хуже точно не будет. С картинками, расширенными описаниями и без рекламы. В прошлом году мне понадобился усилитель НЧ, и я решил использовать данный проигрыватель в этом качестве, но у него отказался работать один канал что, кстати, было моим косяком, а не косяком проигрывателя, но об этом — ниже , и я забросил идею его использования, так как знаний и опыта в ремонте подобной техники было маловато. Электрофон Вега 109 А что внутри
↑ Наводим красоту в экстерьере
Сначала хотел просто корпус оклеить самоклеющейся плёнкой, но, умея работать с деревом, так поступить было бы непростительно. Снимаю ЭПУ, корпус, с него снимаю ножки. Ради интереса чуть пошкрябал циклей. Под пятью слоями лака/краски/лака/краски/лака (ну и воняет) скрывается обычная берёзовая фанера. Торцы оклеены шпоном бука. Можно было это дело просто отциклевать, отшлифовать и покрыть лаком. Но шпон бука отслоился уже снизу. Нет, делать — так делать. Был нарезан шпон дуба из старой доски. Толщина — 3.5 мм «грязная». После шлифовки будет 2.5-3мм. Бук отлетал сам от прикосновения стамеской. Фрезером с верха корпуса снял 2 мм.
Шпон клеился клеем ПВА, каждый кусок зажимался струбцинами через брусок. Клеилось в такой последовательности: верхние грани, примыкающие к бокам ЭПУ, далее грань под блоком управления, боковые грани и передняя грань. Перед поклейкой каждой следующей нужно было срезать лишнее предыдущей. Дуб — хрупкая древесина и колется просто на «ура». Поэтому я оставлял «лишнее» на 1 мм и просто его «сгрызал» шкуркой, что дало красивые и гладкие торцы.
После того, как все грани были оклеены, я корпус отшлифовал наждачной бумагой № 150 и № 320, тонировал морилкой «под вишню» и покрыл лаком для кисти на водной основе. Уж не хотелось разводить вонь в квартире. Перед лакировкой древесина морилась и шлифовалась несколько раз, т. к. морилка приподымает волокна древесины. После аппарат был собран в обычной последовательности.
↑ Блок питания
Мизерные ёмкости время не пощадило, как итог — фон. Было решено сделать новый БП. Схема проста и пояснений не требует. Выпрямитель собран на ультрафастах UF4007, зашунтированных конденсаторами 0.033 мкф для подавления вч-помех. Далее сглаживающий фильтр и стабилизатор напряжения, выполненный на нерегулируемых стабилизаторах 7815, 7915.
Размеры платы выбирались таковыми, чтоб новый БП без проблем стал на место старого. Принципиальная схема прилагается. ПП не привожу — рисовал сразу маркером по текстолиту, без ЛУТа. Схема проста, нарисовать ПП самостоятельно не составит труда; можно и заводскую использовать. Размеры платы 50×95мм. Детали БП: VD1-4 — UF4007 — 4шт, можно поставить Шоттки или любой готовый мостик на 1-2 Ампера C1-C4 — 33 nF x 63 V — 4шт C5-C6, C9-C10 — 1000 mF x 25 V — 4шт C7-C8 — 0,47 mF x 63 V — 2шт C13-C14 — 1 mF x 63 V — 2шт VR1 — 7815 — 1шт VR2 — 7915 — 1шт R1-R2 — 51 Ом, 0,25 Вт — 2шт
↑ Акустические системы 15АС-109
Считаю, что данные колонки достойны доработки. Если их корпус, не изуродован, то выглядит неплохо, объем удовлетворительно достаточен для штатного динамика, есть ФИ.
Источник фото: vega-brz.ru
В 15АС-109 установлены 15ГД-14 (25ГДН-3-4) и 10ГДВ-2-16. Раздел на частоте 5 кГц и изменить его нельзя т. к. работа 10ГДВ-2-16 ниже невозможна. Поэтому звук вялый, серый, тусклый из-за невнятного воспроизведения средних (самых главных для общего восприятия звука) частот. И это касается не только данной модели, но и всех двухполосок в которые установлены ранее упомянутые НЧ динамики.
Лучшие советские конструкторы прекрасно это знали и для модернизации подобных двухполосок предлагали радиолюбителям установить полноценные СЧ динамики, такие как 2ГД-40. Увы, маразм миниатюризации не позволял что-то дополнительно ставить в малюсенькие корпуса, да еще в боксе, потому как объём и так был недостаточен.
Предлагались внешние городушки-скворечники, это хорошо звучало, но добиться культурного вида было сложно. Кроме того, что бы ни говорили, но 2ГД-40 и им подобные, работали, как по паспорту до 12,5 кГц, выше – обрыв, да и направленность выше игольчатая т. е. нужна трехполоска в новом корпусе и с новыми фильтрами, от старых колонок оставался один НЧ динамик. Вариант хороший и я сделал такую трехполоску, принципиально только на доступных советских динамиках, но сегодня не об этом.
Реставрация колонок Вега 35 АС
В этой статье я напишу как я реставрировал свои старенькие доставшиеся мне от дяди колонки вега 35 ас. Фотографий в каком состоянии они были у меня нет, поэтому скажу словами. Эксплуатировались они везде где только можно, в разных помещениях, на улице под разную погоду и даже в автомобиле в грязном багажнике. Состояние корпусов было плачевным, сколы, щели, сбитые углы. Состояние НЧ головок вообщем удовлетворительное, диффузоры в порядке, но одна НЧ головка издавала неприятное дребезжание. Моя оценка им 2 из 5 баллов.
Итак, что планировалось — хороший внешний вид и нормальное звучание. Приступим к работе.
Снял передние пластмассовые накладки и начал шкурить корпуса, шкурил до снятия старой краски, затем шпатлевал обычной шпатлевкой по дереву. Выжидаем пока высохнут. Затем опять проходимся наждачкой, сравниваем углы и стыки,приступаем к покраске. Красил обычной черной эмалью по дереву,вроде акриловая,точно не помню,красил губкой тонким, равномерным слоем. Получилось очень даже не плохо, равномерный слой, без подтеков и разводов. Сохли корпуса около 3-х суток.
Далее приступил к покраске всего остального -это защитные сеточки, сами динамики и пластмассовые накладки. Диффузоры НЧ головок красил черной тушью, получилось довольно не плохо. ВЧ динамики красил черным маркером. Неудачно покрасил пластмассовые накладки, красил той же черной эмалью с помощью губки, получилось отвратительно, в будущем буду перекрашивать автоэмалью с балончика.
Расклеил хрипящую НЧ головку для устранения этой проблемы, обмотка на катушке оказалась целой, поэтому я только отцентровал ее и заклеил все обратно. После просушки проверил на хрип, его не оказалось, хороший, чистый звук.

Начал проклеивать вторую колонку изнутри чем то наподобие ковролина, так как другого материала не было.
Сушим,собираем.

Провода не стал менять,может в будущем. Все динамики посадил на клей момент и хорошо притянул, фазоинвентор тоже приклеил и притянул.
Прикрутил пластмассовую накладку и проверил звучание ,питаются эти колонки у меня от полудохлого цента LG.

Родной усилок давно сгорел и ремонтировать его у меня нет знаний.
Итак одна колонка полностью собрана, это не окончательный вид, буду перекрашивать еще авто эмалью декоративные накладки.
Вот что получилось. Проделанной работой доволен, на вид стали вполне даже неплохие исходя из того, в каком состоянии они были. После проклейки корпусов звук стал мягче, особенно бас: четкий мягкий, ничего нигде не свистит и не сифонит, звук на мой слух на 4 из 5, это еще потому что они играют от древнего центра. Осталось проклеить и собрать вторую колонку, ну и взять нормальный усилитель, хотя это вряд ли,так как эту акустику я буду использовать дополнительно с акустикой Wharfedale Obsidian 600 и ресивером Pioneer VSX 527 k.
Хочу подавать на ресивер звук через playstation3 по hdmi, а по тюльпанам на центр все с той же playstation 3.
↑ Усилитель-корректор
Или фонокорректор или винил-корректор, фонопреамп, как душе угодно. В «Веге 110» он установлен в металлическом экране, выполнен на микросхеме К157УД2. Откручиваю винт, снимаю крышку экрана. Что за??? Номиналы конденсаторов не соответствуют схеме! С9-С10 стоят 3.3нф вместо 10нф, а С13-С14 — 0.15мкф вместо 0.25мкф. Нет, не дело это. Меняем советскую плёнку на MKP. Электролиты С3-С4 тоже менять обязательно. Прослушивание после замены конденсаторов не особо впечатлило. Звук уж слишком мягкий. Выпаиваю К157УД2, вместе с ней конденсаторы цепей коррекции ОУ С7-С8. В качестве замены были выбраны операционные усилители TL071 в корпусе DIP8. Почему именно они, а не двухканальный вариант TL072? Да потому что их можно впаять без всяких переходников!
Берём одну микруху, выводы 1 и 8 отгибаем там, чтоб они были параллельны корпусу. Впаиваем так, чтоб вывод 4 и 5 стал на место 7 и 8 штатного ОУ соответственно. Выход, вход инвертирующий/неинвертирующий стали туда, где им и место. У второго ОУ так же гнём 1 и 8 ноги, впаиваем со стороны проводников так, чтоб 4-я нога стала на место 1-й, а 5 — на место 14-й. Питание к выводам 4 (-) и 7 (+) я протянул тонкими проводами от соответствующих дорожек на плате.
Можно было вытравить новую плату под современные гнёзда, поставить более крутой корректор — тут дело вкуса. Мне было любопытно выжать все соки из штатной схемы. Собрал, послушал. Звук стал понасыщеннее, но такой же мягкий. Видмо, дело не в деталях, а в схемотехнике.
Фильтр для низкочастотного динамика
Фильтр нижних частот из дросселя и конденсатора большой ёмкости называется схемой Баттерворта второго порядка. Он обеспечивает спад частот выше частоты среза до 12 dBна октаву. Схема работает следующим образом. Индуктивность в LC контуре выполняет функцию переменного резистора. Его сопротивление прямо пропорционально частоте ивозрастает с увеличением диапазона. Поэтому высокие частоты практически не попадают на НЧ динамик. Такую же функцию выполняет и конденсатор. Его сопротивление обратно пропорционально частоте и он включается параллельно громкоговорителю.
Поскольку схема устройства должна хорошо пропускать низкие частоты и обрезать высокие, то конденсаторы такого устройства имеют большую ёмкость.Пассивный фильтр для динамика может быть выполнен по более сложной схеме. Если соединить две схемы Баттерворта последовательно, то получится устройство четвёртого порядка из двух индуктивностей и двух конденсаторов. Оно обеспечивает спад частотной характеристики низкочастотного громкоговорителя в 24 децибела на октаву.
Для того чтобы выровнять частотную характеристику и более точно согласовать схему Баттерворта и динамик, между катушкой индуктивности и конденсатором, включается резистор с небольшим сопротивлением. Для этой цели лучше использовать проволочные резисторы.
Комментарии ( 10 из 60 )
Будет жить у Андрея в Новосибирске
Не взирая на омы – с какой споется и вам это понравится.
Так все таки, какую АС лучше подключать к нему? 4ом или 8 ом?
Что-то неправильно в проигрывателе с землей. Предположу, что там есть реле, которое при отсутствии питания рвет землю. Или использован импульсный блок питания для корректора.
Что-то не так с подключением проигрывателя. Как он называется и в какое гнездо усилителя подключен?
Добрый день, проигрыватель Ария 102 после ТО + добавлен фонокорректор. Сигнал с фонокорректора подаётся (постоянно) на «тюнер», но и при подаче на «мф» тот же результат.
Сначала доскажу про Александра Волкова. Тогда я ему не ответил про «наверняка». Артефакты при включении У120 могут быть от очень многих вещей. Самое вероятное конечно от транзисторов. Последний раз чтобы найти причину щелчка при включении в одном из каналов, пришлось попарно менять транзисторы из канала в канал до тех пор, пока дефект не переместился в другой канал. Это сумасшедше затратно по времени , но и по деньгам приближается к стоимости самого усилителя. Виновником оказался предвыходной транзистор, при этом все параметры его были в норме. Вот почему решение запирать выходной каскад принудительно является героическим. Но мы боремся со щелчком потому что знаем, как должно быть. Но можно и не делать этого, – опасности для усилителя и АС нет. Выше речь шла о щелчках и кваканьях. Вы же пишете о фоне. Если и правда при включении появляется и исчезает фон 50Гц, то дело плохо – надо менять банки по питанию.
↑ Китайские твитеры Alphard TW-302
Для данного бюджетного проекта не хотелось использовать пищалки у которых стоимость одной штуки была выше пары колонок, да и размеры играли важную роль. Поэтому я купил данные дешевые (но не самые дешевые) пищалки.

Интересно было послушать эти «шёлковые» купольники. «Шёлк» тут явно синтетический, нити арматуры реденькие, но материал очень мягкий упругий, резко отличается от пластиковых мембран. Корпус пластмассовый, а это погано – царапается, нет жесткости. Заявленные параметры 8 Ом и 95 дБ оказались «китайскими» — сопротивление 4 Ома (импеданс во всей полосе частот, не просто измерено тестером), а чувствительность… Точно измерить не могу, да и не надо, по моим прикидкам 88 дБ. Есть разница с 95 дБ?.. Тем не менее, резонанс 900 Гц и 1200 Гц, звук неплохой, мембраны легко можно заменить. В общем, «третий сорт – не брак».
План работ
После первоначального осмотра был составлен примерный план: 1. Проклейка всех швов, стыков и отверстий изнутри колонок герметиком; 2. Вклеивание внутрь корпуса деревянных распорок по схеме перед-зад и лево-право; 3. Обработка всех стенок резино-битумной мастикой для уменьшения резонансов; 4. Оклеивание всех стенок слоем ватина; 5. Замена ВЧ динамиков с изготовлением новых подиумов под них; 6. Полная переделка фильтров с изменением схемы и номиналов деталей; 7. Замена всех уплотнителей под динамиками; 8. Замена всех проводов; 9. Установка портов с клеммами; 10. Отмывка панелей и покраска решеток; 11. Снижение резонансов и дребезга лицевых панелей;
Ну раз план составлен, можно приниматься за работу.
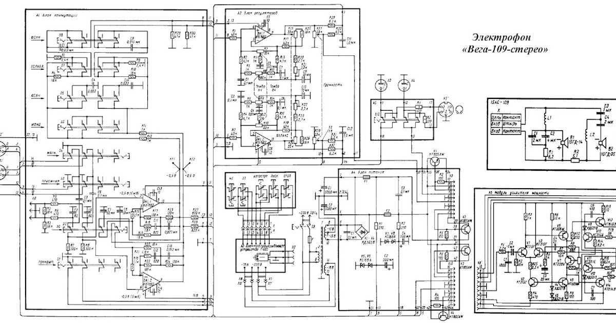
Радиоаппаратура Вега — сервис-мануалы
Подробности файла вега 50у-122с
Это все лишнее. Если его выставить более 30 ма, то при эксплуатации летом, либо в закрытых объёмах, усилители просто перегреваются и уходят в защиту На этой плате, как и во всех, есть вход сигнала и выход сигнала. Этим повышаем скорость нарастания выходного напряжения и уменьшаем петлевое усилие OOC и искажения соответственно для ОУ в случае его коррекции по максимальному совпадению входного и выходного сигнала усилителя у меня эту коррекцию обеспечивает та самая дополнительная RC цепочка и её номиналы даны именно для варианта усилителя без выходной RL цепи, при таком включении обеспечивая отсутстивие каких либо выбросов или завала фронтов меандра на нагрузке.
Общие провода цифровой и аналоговой части на плате уже разделены, это наверное единственное что сделано правильно. Халява кончилась. Такое построение системы защиты позволяет избежать неприятных перерывов в работе усилителя, имеющих место при срабатывании традиционных устройств тепловой защиты. Дело было в том, что отсутствовал звук на одном канале.
При припаивании межблочного кабеля напрямую на предусилитель, для его выхода из корпуса советую проделать отверстие в задней пластмассовой панели. Немного о эмпирических единицах — Дб — 7в 4,37вт Дб — 2,2в 0,43вт Как видно на резисторе 5,6 Ом теперь может выдать амплитудное значение 22 вольта, мощность 43 Вт на канал, а тестировались сразу 2 канала.
S-90 и усилитель ВЕГА 50У-122С
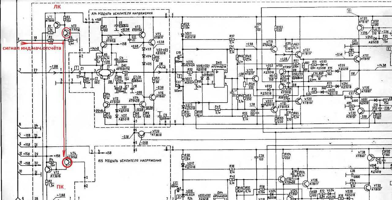
Схемы усилителей
Об этом также нужно помнить. Как результат — вылетела микруха предусилителя КУД2. По-русски он называется СГ Как только спаяли такой переходник, смело подсоединяем к ноутбуку и усилителю. До темброблока идут селектор каналов или селектор входов.
Для желающих дальнейшей модернизации: попробуйте пустить сигнал прямо на усилитель, минуя предварительный. Чтоб установить напряжение питания оу в пределах вольт увеличиваем сопротивление резисторов в плечах до 2,4КОм кроме того это положительно скажется на разгрузке УН, искажения на высоких частотах упадут примерно в 2 раза , не стоит боятся отсутствия стабилитронов — напряжение прекрасно само балансируется разбаланс не более 0, вольта и фильтруется от низкочастотных помех по питанию помех этими же конденсаторами мк.
Этот шаг не менее важен, несмотря на некоторые опасения за работу оу. После чего слушайте.
И так усилитель напряжения, оконечный усилитель и блок питания. Тем более, что гнёзда под ещё 2 кондёра предусмотрены конструкцией!
Теперь не менее проблемная входная часть. Существенно превышать такой уровень сигнала не следует, поскольку у LM после выходного напряжения большего 6 вольт сильно растет Кг поэтому же её напряжения питания выбрано максимально возможным — порядка 16, вольт особо внимательные могут найти моё скромное допущение в схеме ;.
Второе — убираем все нелинейные элементы со входа, то есть стабилитроны и диоды в плечах питания зачем диоды там установлены мне не понятно, наверное на складе лишние были.
В первую очередь надо заняться схемой питания усилителя, это просто тихий ужас.
Музей Бердского радиозавода «Вега»

Читайте дополнительно: Снип прокладка кабеля в земле
↑ Файлы
Здравствуй, читатель! Меня зовут Игорь, мне 45, я сибиряк и заядлый электронщик-любитель. Я придумал, создал и содержу этот замечательный сайт с 2006 года. Уже более 10 лет наш журнал существует только на мои средства.
— Спасибо за внимание! Игорь Котов, учредитель журнала «Датагор»
Многополосные акустические системы обеспечивают высокое качество звучания благодаря тому, что каждый громкоговоритель специально предназначен для воспроизведения определённой полосы частот и соответственно оптимизирован. Чаще всего в многополосных акустических системах звуковой спектр разделяется на две или три полосы. Для обеспечения горизонтальной результирующей АЧХ полосы частот, воспроизводимых каждым динамиком, должны перекрываться плавно, дополняя друг друга. Рассогласование между уровнями звукового давления по полосам и расширение зоны совместного действия динамиков приводят к искажениям АЧХ
Поэтому для правильного выбора важно знать зависимость звукового давления от частоты раздела между полосами (рис.1). Верхняя кривая соответствует розовому шуму, нижняя – современной музыке :
Например, для трехполосной системы мощностью 100 Вт с частотами раздела 400 Гц и 3 кГц мощность распределится следующим образом (при одинаковой чувствительности динамиков)
* НЧ-канал – 50 Вт * СЧ-канал – 35 Вт * ВЧ-канал – 15






























