↑ Характеристики предварительного усилителя:
Напряжение питания, В=±15 Ток потребления, мА=8…10 Номинальное входное напряжение, В=0,775 Номинальное выходное напряжение, В=0,775 Полоса частот по уровню -0,5 дБ, Гц=25…100000 Диапазон регулировки тембра, дБ на частоте 40 Гц=±7 , на частоте 10 кГц=±7 Коэффициент гармоник при входном напряжении 1 В, % на частоте 1 кГц=0,0001 , на частоте 20 кГц=0,002 Отношение сигнал/шум (невзвешенное), дБ=89 Входное сопротивление, кОм=20 Выходное сопротивление источника сигнала, кОм, не более=1,8 Можно включить устройство с усилителем мощности и послушать музыку. Об этом в следующей части проекта.
Галетный переключатель в роли регулятора громкости
Одним из самых простых, относительно дешевых и качественных решений было использование галетника, припаяв к нему много постоянных резисторов. Этот способ мне подходил. Заказвал на aliexpress у этого продавца (https://ru.aliexpress.com/item/Free-shipping-New-1pc-2-Pole-23-Step-Rotary-Switch-Attenuator-Volume-Control-Pot-Potentiometer-DIY/1849958014.html?spm=a2g0s.9042311.0.0.274233ed1C0m4n). Галетник был на 23 положения, чего вполне хватало. Как по мне, цена оказалось не такой уж и маленькой, учитывая что продавались уже готовые переключатели с резисторами уже за 800 рублей. Купил резисторов, вышло ещё около 200 рубей. В итоге, кривые руки, вместе с жадностю, создали вот такую штуку.


Сначала он был без этого страшного медного экрана и сильно фонил. Пришлось потратить время на поиск экрана, на радиорынке нашёл медный лист, короче всё плохо получилось, но исправно работало. Нравился этот ступенчатый регулятор.
↑ О схеме и деталях

Схему выбирал долго, очень долго! Путь к этому предварительному усилителю начинался с использования в качестве ПУ с регулятором тембра специализированных микросхем вроде LM1036 или TDA1524, но меня от этого греха благополучно отговорили местные форумчане. Далее была схема, взятая с какого-то иностранно сайта на трех ОУ типа TL072 с регулировкой ВЧ и НЧ. Даже вытравил ПП и собрал, и слушал некоторое время этот пред, но не легла душа к нему.
Потом обратил внимание на схему знаменитого предусилителя Солнцева, и уже во время поиска информации по ПУ Солнцева наткнулся на схему, напоминающую солнцевскую в связке с пассивным РТ Матюшкина. Это была схема высококачественного ПУ от WASO на Паяльнике
Это было как раз то, что мне надо!

Немного упростив схему предусилителя и, доработав ее под себя, получил вот такой результат. Переход на одноэтажное питание и удаление «лишних» деталей позволило несколько упростить разводку платы, сделать ее односторонней и главное немного уменьшить размеры ПП. В схеме ничего существенного не менял, что могло бы ухудшить качество звука, только убрал ненужные мне функции обхода регулятора тембра, баланса и блок тонкомпенсации.

В схему регулятора тембра
ничего своего не вносил, но все равно понадобилось разводить плату заново, т.к. не нашел в интернете готовую одностороннюю печатку нужного мне размера. Коммутация режимов темброблока сделана на отечественных реле РЭС-47.

Для того, чтобы сделать нужное мне управление регулятором тембра и предусилителем на несколько дней погрузился в теорию принципов работы счетчиков и триггеров отечественных микросхем. Для предусилителя выбрал корпус от спутникового ресивера, отжившего свое, в котором имелось довольно большое окошко, и его нужно было заполнить чем-то красивым и полезным. Так вот, захотелось мне сделать так, чтобы была визуальная информация о режимах регулятора тембра, и лучше, если это будут не светодиоды, а привычные глазу и мозгу цифры. В результате нарисовалась такая схема из трех МС.

К561ЛЕ5 задает импульсы, которые поступают на входы К174ИЕ4 и К561ИЕ9А. Счетчик на ИЕ9 управляет 4-мя ключами, переключающими реле на РТ Матюшкина. Одновременно с этим счетчик на ИЕ4 меняет показания на семисегментном индикаторе АЛС335Б1, указывая, в каком режиме находится регулятор тембра в данный момент. Цифра «0» соответствует режиму с минимальным уровнем низких частот, цифра «3» – максимальным. Еще один простой электронный переключатель выполнен на МС К155ТМ2. Одна половина микросхемы управляет релюшкой, переключающей режимы индикатора уровня сигнала, вторая половина отвечает за реле селектора входов. Ну, и типовая схема индикатора уровня сигнала на МС LM3915 отдельно для каждого канала.Блок питания
сделан на базе трансформатора ТП-30, разумеется с перемотанной под нужные напряжения вторичной обмоткой.

Все напряжения стабилизированные: +/- 15В — на LM317 / LM337 для питания платы предусилителя +9В на 7805 для питания реле и блока управления +5В опять же на LM317 для питания USB звуковой карты
Причины выбора релейного регулятора громкости
Основная причина — лень. Лень — двигатель прогресса. Стало не удобно стоять ждать, пока в фильме что-то скажут, чтобы отрегулировать громкость на усилителе. Плюс, т.к. я живу в квартире, при просмотре фильмов в ночное время необходимо контролировать громкость, т.к. обычная речь и спецэффекты имеют разный уровень громкости — не хотелось мешать соседям. Третью причина был интерес собрать устройство на микроконтроллере, запрограмировать что-то, что можно потрогать руками и покрутить.
Выбор пал на релейный регулятор громкости, в народе его называют регулятором громкости Никитина. Именно его статья, опубликованная в одном из журналов радио (или какого-то другого), послужила проявлением массового интереса к такому типу регулятора.
Выбор сразу пал на готовые модули ардуино, чтобы заниматься проектированием, а не пайкой и сборкой устройств. Короче ардуино позволял собрать рабочий прототип очень просто, дешево и быстро. Ну как дешево, в моём случае весь усилитель вышел неоправдано дорогим — на момент написания статьи уже более 15 тысяч рублей.
В понимании работы этого регулятора мне мопогли вот эти 2 сайта:
На текущий момент всё это безобразие собрано на макетных платах. Я снял демонстрационное видео
// TODO
- Добавить ещё изображений первых версий
- Привести код программы в нормальный вид и выложить проект на github
- Привести список компонентов, цены и ссылки где их купить
- Привести схему и печатную плату в нормальный вид, расшарить проект easyeda
↑ Делаем «правильный» регулятор тембров
На практике могут быть использованы все приведенные выше схемы пассивных регуляторов тембра, что открывает простор для творчества. Для выбора «своего» регулятора тембра были проведены субъективные прослушивания, в ходе которых выяснилось, что регуляторы с небольшим (от ±6 до ±10 дБ) пределами регулирования практически не ухудшают качество звучания. Небольшой диапазон регулировок вполне достаточен для устранения мелких огрехов фонограмм и в то же время не допускает «накручивания» тембров, которым грешат многие любители. В итоге я выбрал схему темброблока с пределами регулирования ±8 дБ, показанную на рис. 10 со следующими значениями пассивных элементов: R1=15 кОм, R2=R6=50 кОм, R3=4,02 кОм, R4=5,1 кОм, R5=2,4 кОм, R7=2 кОм, C0=1 мкФ, C1=0,1 мкФ, C2=0,33 мкФ, C3=3300 пФ, C4=0,01 мкФ.
↑ Расчет пассивных мостовых регуляторов тембров
Наиболее распространенной является комбинированная схема регуляторов нижних и верхних частот. Как видно из аппроксимированной логарифмической амплитудно-частотной характеристики (АЧХ) регулятора тембра (рис. 3), в области средних частот f0≈1000 Гц передаточная функция остается неизменной, а на краях частотного диапазона ее можно регулировать в некоторых пределах.

Рис. 3. Амплитудно-частотные характеристики регуляторов нижних и верхних частот
Обычно величины подъема и спада и их частоты регулирования делают одинаковыми. На рис. 3 приняты следующие обозначения: fнр, fвр – соответственно, нижняя и верхняя частоты регулирования, fнп, fвп – нижняя и верхняя частоты перегиба АЧХ, f0 – частота раздела. Для того чтобы регуляторы нижних и верхних частот не влияли друг на друга, необходимо выполнение условий не перекрытия зон регулирования
fнп < f0 < fвп В практических схемах пассивных регуляторов тембра величины подъема и спада АЧХ составляют ±(8…20) дБ, нижняя частота регулирования равна fнр=(20…80) Гц, а верхняя частота регулирования fвр=(5…18) кГц. Недостатком пассивных корректоров тембра является большое собственное затухание, превышающее полный коэффициент регулирования – (16…40) дБ.
Первичная настройка Foobar2000
Для примера рассмотрим один из самых популярных плееров Foobar2000. Он занимает минимум места, бесплатен и при этом достаточно продвинут для сложной DSP-обработки аудиосигнала. Но сейчас мы поговорим не обо всех возможностях Foobar2000, а о его первичной настройке для работы в ASIO-режиме с вашей звуковой картой.
В платных аудиоплеерах наподобие Audiorvana или JRiver совместимость с ASIO прошита в исходном дистрибутиве, и плеер сам подхватывает доступные ASIO-подключения. Для Foobar2000 понадобится установка модуля ASIO support, которую нужно дополнительная скачать по адресу https://www.foobar2000.org/components/view/foo_out_asio. После этого в разделе плеера Preferences выбираем самую первую строку Components. Нажимаем Install и указываем программе на сохраненный файлик foo_out_asio.fb2k-component. После чего перезагружаем плеер, чтобы изменения вступили в силу.

Сборка конструкции УНЧ

Платы печатные
Схема управления предусилителя паяется на печатной плате. Монтаж следует начинать с установки всех перемычек (4 шт). Далее паяем резисторы и панельки под микроконтроллер и процессор звука TDA8425. В дальнейшем следует установить остальные элементы, в соответствии с принципом от самых маленьких – до самых больших. Под дисплей хорошо бы использовать прокладку, чтобы его прикрутить заподлицо с энкодером на передней панели.

Управление предварительным усилителем очень простое. Все выполняется с помощью одного энкодерара с кнопкой. Сразу после включения система находится в режиме регулировки громкости. Вращение поворотной ручки увеличивает или уменьшает уровень звука. Нажав на кнопку в энкодере переходим в настройки баса, высоких частот и выбора входа.

Два первых индикатора дисплея отображают в двоичном виде четыре режима настроек предусилителя, а остальные – это обычная линейка, в которой последовательно загорающиеся светодиоды показывают уровень настройки данного параметра – больше зажженных светодиодов это больше, например, громкость.


Схема предусилителя на триоде
На принципиальной радиосхеме показаны сразу оба канала. Сигнал поступает на вход и через потенциометр P идёт на сетку триода. После усиления сигнал через конденсатор С8 поступает на выход предусилителя, а далее подавайте его на любой готовый мощный УМЗЧ.
Резистор R4 определяет значение потенциала сетки. Резистор R5 является нагрузкой триода. Его значение зависит от усиления, частотной характеристики и уровня искажений. Здесь используются более низкие значения R5, чем обычные для данного типа лампы.
Усиление схемы зависит от многих факторов, но в основном от типа используемой лампы и значения анодного резистора (R5). Триод ECC83 имеет наибольшее усиление, ECC88 среднее значение, а ECC82 имеет относительно низкий коэффициент усиления — 20. Сюда можно поставить отечественную 6Н23П, что есть в любом старом ламповом телевизоре (она в селекторе каналов).
В случае этого предусилителя, который будут использовать с оконечными полупроводниковыми усилителями мощности, слишком большое усиление нежелательно.
При использовании ламп разного типа усиление можно регулировать с помощью анодного резистора (R5 и R5A). Чем выше значение анодного резистора, тем сильнее усиление, но за это платят уменьшением полосы верхних частот.
Обычная катодная схема включения триода имеет относительно высокий выходной импеданс, который при нагрузке с низким сопротивлением полупроводникового усилителя приводит к ограничению частотной характеристики на высоких частотах и увеличению нелинейных искажений. Поэтому не каждый триод с низким энергопотреблением можно использовать в этом преампе.
ECC88 хорошо работает тут (её аналоги: E88CC, 6DJ8, 6922, 6Н23П), который адаптирован для работы с низкими напряжениями — его номинальное анодное напряжение составляет 90 В. Он имеет среднее усиление, большой наклон характеристики (высокая чувствительность) и низкий выходной импеданс.
Также проверена ECC82, которая, как оказалось, тоже прекрасно работает в этой схеме. Хотя номинальное рабочее напряжение составляет 250 В, производители утверждают, что источник питания на 100 В вполне приемлем.
Вы можете поэкспериментировать с использованием других ламп, даже популярной 6Н3П, используя соответствующие катодные резисторы R4, R4A для регулировки напряжения сетки так, чтобы падение напряжения на этом резисторе составляло около 1 В.
Напряжение накала подбирается экспериментально с помощью понижающего резистора R10 в соответствии с нужным паспортным током.
Самый простой усилитель звука
В наше время биполярные транзисторы уходят в прошлое, и теперь, чтобы собрать какой-либо простой усилитель, уже не надо мучаться с расчетами и клепать печатную плату больших размеров.
Микросхемы TDA
Сейчас почти вся дешевая усилительная техника делается на микросхемах. Самое большое распространение получили микросхемы TDA для усиления аудиосигнала. В настоящее время они используются в автомагнитолах, в активных сабвуферах, в домашней акустике и во многих других аудиоусилителях и выглядят примерно вот так:
Одноканальный усилитель на TDA7396
Вот распиновка микросхемы:
Собирать наш усилитель будем по типичной схеме, которая была приложена в самом даташите:
На ножку 8 подаем +Vs, а на 4 ножку ничего не подаем. Следовательно, схема примет вот такой вид:
+Vs – это напряжение питания. Оно может быть от 8 и до 18 Вольт. “IN+” и “IN-” – сюда подаем слабый звуковой сигнал. К 5 и 7 ноге цепляем динамик. Шестую ногу садим на минус.
Вот моя сборка навесным монтажом
Конденсаторы на входе питания 100нФ и 1000мкФ я не использовал, так как у меня с блока питания итак идет чистое напряжение.
Раскачивал динамик с такими параметрами:
Как видите, сопротивление катушки 4 Ома. Полоса частот говорит о том, что он сабвуферного типа.
А вот так у меня выглядит саб в самопальном корпусе:
Пробовал снять видео, но звук на видео у меня снимает очень плохо. Но все-таки могу сказать, что с телефона на средней мощности уже долбило так, что уши заворачивались, хотя потребление всей схемы в рабочем виде составило всего около 10 Ватт (умножаем 14,3 на 0,73). В этом примере я взял напряжение, как в автомобиле, то есть 14,4 Вольта, что вполне укладывается в наш рабочий диапазон от 8 и до 18 Вольт.
Если у вас нет мощного источника питания, то его можно собрать вот по этой схеме.
Не зацикливайтесь именно на этой микросхеме. Этих микросхем TDA, как я уже говорил, существует множество видов. Некоторые из них усиливают стереосигнал и могут выдавать звук сразу на 4 динамика, как это сделано в автомагнитолах. Так что не поленитесь порыться в интернете и найти подходящую ТДАшку. После окончания сборки дайте заценить соседям ваш усилитель, выкрутив ручку громкости на всю балалайку и прислонив мощный динамик к стене).
А вот в этой статье я собирал усилитель на микросхеме TDA2030A
Получилось очень даже неплохо, так как TDA2030A обладает лучшими характеристиками, чем TDA7396
Также приложу для разнообразия еще схему от подписчика, у которого усилитель на TDA 1557Q работает исправно уже более 10 лет подряд:
Усилители на Алиэкспресс
А вот здесь он уже сразу готовый
Да и вообще, этих модулей усилителей на Алиэкпресс ну очень много. Нажимаете на эту ссылку и выбираете любой понравившийся усилитель.
Блок питания лампового пред-УНЧ
Предусилитель требует одно переменное напряжение 12-18V, которое используется таким образом, чтобы запитывать накал и анод лампы. Чтобы получить высокое анодное напряжение, оно умножается с помощью четырехкратного умножителя напряжения (диоды D1-D4 и конденсаторы C1-C4). Выпрямленное напряжение фильтруется конденсаторами C5-C6 и резистором R7. Схема очень проста, но у нее есть ограничения — поскольку для питания анода и накала используется одинаковое напряжение, невозможно использовать трансформатор слишком высокого напряжения, поскольку проблема будет состоять в том, чтобы снизить его до низкого напряжения накала.

В свою очередь более низкое напряжение питания облегчает его настройку на накал, но после умножения может быть недостаточно для питания анода. Хотя лампы работают даже при очень низких анодных напряжениях, но это уже за счет повышенных искажений. Поэтому надо выбрать компромисс. На практике пробовали напряжение от 12 В до 18 В переменного тока. Для ECC88 требуется ток накала 6,3 В и 0,36 А, оптимальное напряжение трансформатора 15-18 В.
↑ Пассивный упрощенный регулятор тембра
На практике, пожалуй, большее распространение получила еще одна схема пассивного регулятора тембра, с упрощенным регулятором верхних частот (рис. 6) .

Рис. 6. Схема упрощенного пассивного мостового регулятора тембра
Расчет такого регулятора с помощью таблиц и номограмм предложен Л. Ривкиным . Я переложил методику Л. Ривкина на язык табличного процессора Microsoft Excel, позволившего обойтись без номограмм, не совсем удобных в использовании и снижающих оперативность расчетов. Скриншот листа таблицы Excel с примером расчета показан на рис. 7. Здесь действуют все соглашения, приведенные выше.

Рис. 7. Расчет упрощенного пассивного мостового регулятора тембраКонтрольный пример №2. Рассчитаем регулятор тембра с пределами регулировок ±17 дБ, R2=R5=47 кОм, fнр=30 Гц, fвр=18000 Гц. Получаем: R1=4,673 кОм, R3=470 Ом, R4=4,7 кОм, C1=0,114 мкФ, C2=1,133 мкФ, C3=1916 пФ, C4=0,019 мкФ. Выбираем из стандартного ряда Е24: R1=4,7 кОм, R3=470 Ом, R4=4,7 кОм, C1=0,1 мкФ, C2=1,0 мкФ, C3=2000 пФ, C4=0,022 мкФ.
Следует напомнить, что для обеспечения расчетной глубины регулировки тембра необходимо, чтобы сопротивление нагрузки регулятора тембра было намного больше его выходного сопротивления Rнрт≥(5…10)Rвыхрт≈(5…10)[R1R3/(R1+R3)+R4], а внутреннее сопротивление источника сигнала намного меньше входного сопротивления регулятора: Rвыхис≤(0,1…0,2)Rвхрт≈(0,1…0,2)(R1+R3).
Согласование импеданса
Как уже упоминалось, второй ОУ IC1b сконфигурирован для единичного усиления, поэтому его выход (вывод 7) должен быть подключен к его инвертирующему входу (вывод 6). Тем не менее в цепи ООС показан резистор R1. Для уменьшения искажений “видимое” сопротивление по инвертирующему и неинвертирующему входам должны быть равны. Однако, к одному входу подключен регулятор громкости, сопротивление которого меняется.
Если вместо R1 установить перемычку, то уровень искажения будет всё равно очень низкий, см. графики характеристик. Если есть желание предельно минимизировать искажения, замерьте сопротивление регулятора громкости в том положении, в котором вы слушаете музыку чаще всего и именно такого номинала установите резисторы R1 (R2).
Конечно, для этого сначала потребуется установить перемычки и провести несколько тестовых прослушиваний на вашем тракте и после этого… есть подозрение, что вы не захотите менять перемычки на сопротивления.
↑ Предварительный усилитель для «студенческого» УМЗЧ
Перейдем к построению предварительного усилителя для «студенческого» УМЗЧ. Принципиальная схема одного канала усилителя для УМЗЧ Питера Смита представлена на рис. 11. Входной сигнал подается непосредственно на пассивный регулятор тембра. Дело в том, что современные источники звука (персональный компьютер, ноутбук, проигрыватель компакт-дисков, DVD – проигрыватель) имеют малое выходное сопротивление и высокий уровень сигнала, достаточный для непосредственной работы с усилителем мощности (0,5…2 В эфф.). Фильтр R1 – R3, C2, C3 производит регулировку тембра в нижней частотной области, а R5, — R7, C4, C5 – в верхней. Буферный резистор R4 служит для уменьшения влияния фильтров друг на друга. Параметры элементов фильтров выбирают таким образом, чтобы примерно в среднем положении движков резисторов регуляторов тембра R2 и R6 АЧХ была горизонтальной; при этом коэффициент передачи регулятора тембра меньше единицы.
Установка драйвера ASIO
Для чего нужен режим ASIO? При воспроизведении музыки вы должны изолировать аудиопоток от программных микшеров Windows. В данном случае вам они совершенно не нужны, поскольку могут выполнять дополнительный пересчет данных, причем не очень качественный с точки зрения канонов Hi-Fi. Протокол ASIO призван сделать путь между программным плеером и ЦАП максимально коротким. Поэтому сегодня любой уважающий себя производитель звуковых карт или ЦАП снабжает свою продукцию соответствующими ASIO-драйверами. После их установки можно приступать к настройке своего программного плеера. Они выполняются один раз и в дальнейшей доводке не нуждаются.
Источник питания
Для получения высоких заявленных характеристик мы разработали малошумящий источник питания для предварительного усилителя.

Увеличение по клику
Он обеспечивает стабилизированные выходные напряжения ± 15 В и + 5 В для самого предварительного усилителя и дополнительных блоков. Плата блока подключена к трансформатору с выходным напряжением переменного тока ~15В (две обмотки). Диодный мост (D1-D4) и два конденсатора по 2200мкФ выпрямляют и фильтруют переменное напряжение и обеспечивают примерно ± 21 В постоянного напряжения. Регулируемые стабилизаторы LM317 и LM337 выдают на выходе ± 15 В благодаря резисторам 100 Ом и 1,1 кОм, подключенным к выводам «OUT» и «ADJ».
Мы использовали регулируемые стабилизаторы, потому что их управляющие выводы «ADJ» можно «оторвать» от земли, чтобы улучшить подавление пульсаций, что мы сделали с использованием конденсаторов 10 мкФ. Защитные диоды (D5 и D7) обеспечивают разрядный путь для конденсаторов, если выход случайно замыкается на землю.
Два диода (D6 и D8) в обратном включении защищают выход каждого плеча в случае неисправности другого.
Стабилизатор на фиксированное выходное напряжение 7805 (REG3) используется для получения напряжения + 5V. Резистор номиналом 100Ом служит для снижения рассеиваемой мощности на микросхеме стабилизатора. Этот резистор не так важен для модуля предварительного усилителя, но существенно облегчит тепловой режим стабилизатора при подключении дополнительных блоков.
Поскольку от источника питания +5В потребляется дополнительная мощность только положительной полярности, для балансировки плеч выпрямителя в отрицательное плечо включен резистор номиналом 330Ом, который обеспечивает одинаковую скорость разряда конденсаторов фильтра при выключении.
Продолжение следует…
Удачного творчества!
Стать подготовлена по материалам журнала «Практическая электроника каждый день»
Вольный перевод статьи — Главный редактор «РадиоГазеты».
↑ И снова немного истории
Первым претендентом на роль предварительного усилителя с регулятором тембра стала схема Д. Стародуба (рис. 1) . Но конструкция так и не «прижилась» в усилителе мощности: требовалась тщательная экранировка и источник питания с чрезвычайно малым уровнем пульсаций (порядка 50 мкВ). Однако главной причиной стало отсутствие ползунковых переменных резисторов.

Рис. 1. Схема высококачественного блока регуляторов тембра
Путем проб и ошибок я пришел к простой схеме предварительного усилителя (рис. 2), с которой, однако, система звуковоспроизведения намного превзошла в звучании серийно выпускавшуюся аппаратуру, по крайней мере, имевшуюся у моих друзей и знакомых.

Рис. 2. Принципиальная схема одного канала предварительного усилителя для УМЗЧ С. Батя и В. Середы
За основу взята схема предварительного усилителя стереофонического электрофона Ю. Красова и В. Черкунова, демонстрировавшегося на 26 – й Всесоюзной выставке радиолюбителей – конструкторов. Это левая часть схемы, включая регуляторы тембра.
Появление каскада на транзисторах разной проводимости в предварительном усилителе (VT3, VT4) связано с обсуждением усилителей с преподавателем лаборатории телевизионной техники на кафедре Радиосистем А. С. Мирзоянцем, с которым я работал, будучи студентом. В ходе работ понадобились линейные каскады для усиления телевизионного сигнала, и Александр Сергеевич сообщил, что по его опыту наилучшими характеристиками обладают структуры «шиворот – навыворот», как он выразился, то есть усилители на транзисторах противоположной структуры с непосредственной связью. В процессе экспериментов с УМЗЧ я выяснил, что это касается не только телевизионной техники, но и звукоусилительной. Впоследствии я часто применял подобные схемы в своих конструкциях, в том числе пары полевой транзистор – биполярный транзистор.
Попытка применить транзисторы разной структуры в первом каскаде (составном эмиттерном повторителе VT1, VT2) не принесла успехов, т. к. при всех замечательных характеристиках (низком уровне шума, малых искажениях) схема имела существенный недостаток – меньшую перегрузочную способность по сравнению с эмиттерным повторителем. Характеристики предварительного усилителя:
Входное сопротивление, кОм=300 Чувствительность, мВ=250 Глубина регулировок тембра, дБ: на частоте 40 Гц=±15 на частоте 15 кГц=±15 Глубина регулировок стереобаланса, дБ=±6 Поскольку в ходе конструирования усилителей возникали новые идеи, старые конструкции я дарил кому-нибудь, или продавал по твердому курсу ватт выходной мощности / рубль. В одну из поездок в Ленинград я захватил с собой этот усилитель, чтобы продать его знакомому друга. Володька сказал, что у этого парня куча всякой западной техники, и увез аппарат к нему на прослушивание. Вечером он сообщил мне результаты: молодой человек включил усилитель, послушал пару вещей и был так удовлетворен звучанием, что без слов отдал положенные деньги.
Честно сказать, когда я узнал, что сравнение будет проходить с импортной техникой, особенно не надеялся, что усилитель произведет впечатление. К тому же, он не был до конца доделан – отсутствовали верхняя и боковые крышки.
Рассмотрим принципиальную схему одного канала предварительного усилителя (рис. 2). На входе установлены высокоомные регуляторы громкости (R2.1) и баланса (R1.1). Со среднего вывода резистора R2.1 через переходной конденсатор С2 звуковой сигнал поступает на составной эмиттерный повторитель VT1, VT2, необходимый для нормальной работы пассивного регулятора тембра, выполненного по мостовой схеме. Для того чтобы устранить вносимое темброблоком затухание и усилить сигнал до необходимого уровня, установлен двухкаскадный усилитель на транзисторах VT3, VT4.
Питание предварительного усилителя нестабилизированное, от положительного плеча усилителя мощности. На каскады VT3, VT4 питающее напряжение подается через фильтр R17, C10, C13, а на входной эмиттерный повторитель — R8, C4. Важную роль играет диод VD1: без него не удалось полностью устранить фон переменного тока частотой 100 Гц на выходе усилителя мощности.
Конструктивно предварительный усилитель выполнен в «линейку», все детали установлены на печатной плате, закрытой сверху П-образным экраном из стали толщиной 0,8 мм.
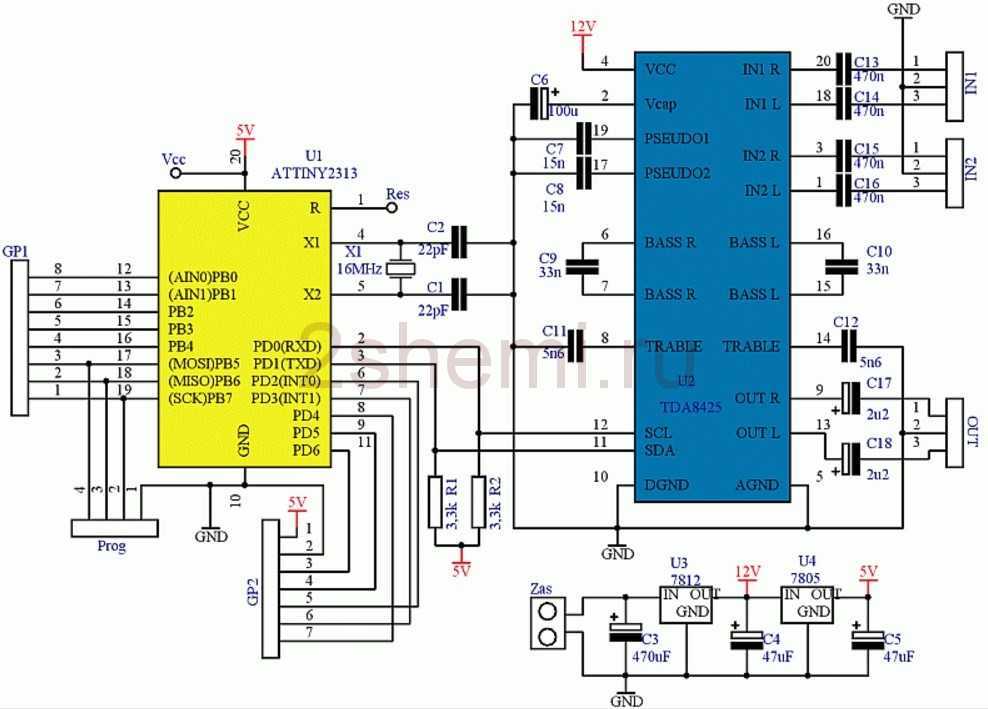
Схема УНЧ на TDA8425 и ATTiny2313
Цифровой предусилитель на МК attiny – схема
Базой схемы является микроконтроллер U1 (ATTiny2313) вместе с кварцевым резонатором X1 (16 МГц) и конденсаторами C1 (22pF), C2 (22pF). Резисторы R1 (3,3 k) и R2 (3,3 k) подтягивают потенциал линии SCL и SDA шины I2C к плюсу питания, обеспечивая правильные условия работы МК. Обработкой сигнала звука занимается микросхема звуковой процессор U2 (TDA8425). Аудио сигнал подается на разъемы IN1 и IN2 через конденсаторы C13 – C15 (470nF). На выход предусилителя (разъем OUT) сигнал тоже попадает проходя конденсаторы C17 (2,2 мкф) и C18 (2,2 мкф). Остальные конденсаторы C6 – C12 были применены в соответствии с рекомендациями производителя на основе официального даташита.
↑ О настройке и возможных проблемах
Несмотря на всю кажущуюся сложность схемы и множество деталей, при правильной сборке и применении заведомо исправных и рекомендованных для этой схемы компонентов, можно с большой долей вероятности отгородить себя от неприятных сюрпризов, которые могут возникнуть при сборке данного ПУ. Единственная часть всей этой схемы, которая нуждается в настройке – это собственно сама плата предусилителя. Нужно установить ток покоя, проверить уровень постоянки не выходе, и форму сигнала. Рекомендованный ток покоя для этого ПУ 20-22 мА, и рассчитывается он по падению напряжения на 15-ти омных резисторах R20, R21, R40, R42. Для тока 20-22 мА на этих резисторах должно падать 300-350 мВ (300:15=20, 350:15=22). Падение напряжения, а соответственно и ток можно регулировать в ту или иную сторону изменением номинала резисторов R9, R10, R30, R31 (в оригинале схемы 51 Ом). Большему току покоя соответствует большее сопротивление резистора и наоборот. В своем варианте, вместо постоянных резисторов 51 Ом, я впаял многооборотные подстроечные номиналом 100 Ом, что позволило без лишних усилий и с высокой точностью выставлять нужный ток покоя.
Две неприятности
, с которыми может столкнуться человек, решивший повторить данный предусилитель — это возбуд, и постоянка на выходе. Причем, как правило, первая проблема порождает вторую. Сначала нужно убедиться в наличии или отсутствии постоянной составляющей на выходе каждого буфера и каждого ОУ. Допускается небольшое количество постоянки, но именно небольшое, грубо говоря не более нескольких мВ.
Если постоянки нет, я вас поздравляю! Если есть – ищем в чем причина, а причин не так уж и много. Это либо ошибка в монтаже, либо «не та» деталь, либо где-то есть возбуд. Первым делом нужно внимательно осмотреть плату на предмет непропая или наоборот – слипшихся дорожек, перепроверить все ли детали нужного номинала вы используете, и если все правильно остается третий вариант, т.е. возбуд. Для его поиска вам понадобится осциллограф.
Сам я столкнулся с этой проблемой. Во всех четырех буферах была постоянка на выходе в размере 100-150 мВ. И причиной ее возникновения оказалась как раз-таки «не та» деталь. Дело в том, что вместо операционных усилителей OPA134 у меня были установлены NE5534, которые не совсем подходят для применения в этой схеме. Долго и безуспешно я боролся с этой проблемой, а проблема исчезла сама собой после замены ОУ на OPA134.
Выход на наушники
Если вы установили схему переключения усилителя для наушников (RLY6, RLY7 и соответствующие элементы) и собрали подходящий усилитель, подключите выход (CON6) ко входу усилителя для наушников с помощью двухжильного экранированного кабеля. Кроме того, контакты переключателя гнезда для наушников должны быть подключены к разъёму CON7.
Лучше использовать разъём с изолированными контактами переключателя, тогда все, что вам нужно сделать это подключить нормально замкнутые контакты одного из каналов.
Какого бы типа разъём вы не применили, важно: если штекер наушников не подключен, тогда контакты разъёма CON7 должны быть замкнуты. Иначе сигнала на выходе предварительного усилителя не будет!






























