Распиновка для различных марок авто и магнитол
Распайка линейных выходов на штатной магнитоле зависит от марки авто и головного устройства.
Перед распиновкой разъемов автомагнитолы необходимо ознакомиться с информацией, представленной на крышке устройства и в инструкции к нему.
Toyota
Для стандартного штекера: 1 — А+, 2 — GND, 3 — BAT+, 4 — подсветка, 5 — регулировка антенны, 9-16 — динамики (RR+, RR- , RF+, RF- , LF+, LF- , LR+, LR-).

Универсальный разъем для большинства моделей: 1 — ANT, 3 — линейный выход LR, 4 — GND линейных выходов, 5 — линейный выход RR, 6 — CD in LCH, 7 — CD in GND, 8 — CD in RCH, 9 — CD reset, 10 — CD clock out, 11 — CD DSPL select, 12 — CD data out, 13 — CD clock in, 14 — CD data in, 16 — A+, 17 — GND, 18 — ANT GND, 22-27 и 29-30 — динамики (LF- , LR+, RF- , RR+, LF+, LR- , RF+, RR-), 28 — CD mute, 31 — ANT CONT, 32 — CD ACC CONT, 33 — AMP CONT, 34 — B UP.
Виды автомагнитол
В связи с участившимися кражами, магнитолы не изготавливают под определенные стандарты, поэтому у водителей может возникнуть множество вопросов при столкновении с новым видом акустической системы. Дело в том, что для безопасности устройства, к ним разрабатывают несколько видов штекеров подключения, а также различной является и сама форма устройства. Такие магнитолы называют стационарными, которые идут с завода и подходят только в определенную марку автомобилей.

Само различие штекеров предполагает их несовместимость с другими источниками питания, однако это легко решается путем не сложных переделок. Раньше для защиты от кражи магнитолы подразумевали использование специальных съемных панелей или скользящего крепления, которое позволяло быстро вытащить устройство и спрятать в более надежном месте.
Стандарты 1Din и 2Din
Стандарт Din получил обозначение от сокращения названия немецкого института Deutsches Institut für Normung e.V., который разработал норматив в 1984 году. Целью введения единого размера корпуса головного аудиоустройства стало обеспечение взаимозаменяемости оборудования. На автомобилях применяются магнитолы размера 1Din (178*50 мм) и 2Din (178*100 мм). Также встречается промежуточный вариант 1,5Din (178*75 мм), который ограниченно используется некоторыми производителями. Все магнитолы соответствуют монтажной глубине 160 мм.
Использование размера 2Din позволяет обеспечить улучшенное охлаждение усилителя магнитолы, разместить внутри корпуса дополнительные устройства (например, жесткий диск). Увеличение фронтальной части допускает установку сенсорного дисплея диагональю 5″ и выше. Штатное оборудование имеет оригинальную конфигурацию корпуса, для установки головных устройств сторонних производителей используются переходные рамки.
Для концерна Honda принят стандартный габарит головного устройства 190*100 мм. Компания Toyota использует магнитолы размера 200*100 мм. Выпускаются переходные рамки и корзины, позволяющие разместить в азиатских автомобилях оборудование, соответствующее требованиям Din.

Схемы подключения питания автомобильной магнитолы не зависят от конфигурации и размера корпуса. Для кроссировки головных устройств 1Din и 2Din используются разъемы ISO с объединенными или раздельными штекерами.
Варианты устройства автомагнитолы
Все магнитолы производятся по стандартам той фирмы, которой они принадлежат. Вышеупомянутые Пионер, Кенвуд и Сони производятся в соответствии со стандартами своих компаний. Однако каждая из них имеет стандартный ISO-переходник. Аналогично на каждой машине имеется стандартный штекер под этот переходник.
Исходя из этого, может возникнуть одна из трех ситуаций:
- Первый вариант является идеальным. В автомобиле выведены все провода. Все подключено согласно стандартам и выведено под ISO-разъем. Сложностей в данном случае не возникнет. Нужно только подключить этот разъем к магнитоле.
- Второй случай, когда все провода выведены правильно, но разъем не подходит. В этом случае можно приобрести проводник, которых в специализированных магазинах продается великое множество, подключить магнитолу через проводник и наслаждаться качественным звуком.
- Последний вариант: провода не выведены в один разъем или их вовсе нет.

Третий вариант является самым проблемным, и поэтому далее нужно рассмотреть именно его.
Переходники для iso разъемов
Срезка нестандартного штатного штекера и присоединение проводов напрямую не рекомендуется, потому что со временем соединение разболтается, может окислиться, придется спаивать не только проводку, потребуется дополнительный ремонт, замена перегоревших предохранителей. Иногда встречается акустика с тремя выходами, но она имеет стандаризированную маркировку и электросхемы, позволяющие соединить с помощью распиновки штатные кабели с устройством. Можно купить любой тип переходника для ИСО разъёмов от одной модели к другой.
Автомобиль может быть не оснащен коннекторами, тогда нужно подключать разъем магнитолы к кабелю напрямую. Это делают скручиванием, пайкой либо применяют клеммную колодку, которая не требует последующей изоляции. При скручивании и пайке используют термоусадочные трубки для безопасного использования оборудования.
Особенности подключения
Для подключения питающих проводов необходимо использовать отдельную проводку, идущую непосредственно к аккумулятору (за исключением минуса). Эти провода должны иметь приличную толщину и быть в полтора раза толще, чтобы исключить любые нагревы и случайные самовозгорания. Запрещено подключать цепь без использования предохранителей.
Контакт массы должен быть хорошо зачищенным и прикрученным к корпусу автомобиля. Если сделать его недостаточно плотным, то есть вероятность того, что устройство будет самопроизвольно включаться или выключаться. Такой недостаток может быстро посадить аккумулятор, пока вы будете спать.
Как подключить автомагнитолу
Рассмотри в деталях вариант, когда установку и подключение аудиосистемы нужно выполнять с нуля. На первом этапе необходимо купить полный комплект проводов для подключения громкоговорителей и питания. Длина проводов зависит от особенностей автомобиля и выбранного способа монтажа. Лучше всего, когда они максимально короткие и не имеют дополнительных скруток. Хорошим решением будет приобретение медных многожильных проводов, имеющих силиконовую изоляцию. Их толщины должно хватать для обеспечения максимально эффективной работы аудиосистемы. Провода питания сечением 4 мм. кв. подойдут для автомагнитолы мощностью до 120 Вт. В этом случае проводов на динамики сечением 1-2 мм. кв. вполне достаточно.

Плюсовой провод питания должен иметь толщину не менее 4 кв.мм. и быть снабжен предохранителем
Зачастую в одном комплекте с громкоговорителями имеются соединительные провода, которые не соответствуют требуемой толщине.
Назначение контактов евроразъема в магнитоле Пионер
Через некоторое время, после покупки новенького автомобиля, у водителей появляется желание поменять магнитолу, установленную заводом на более функциональную «Пионер». И при замене можно столкнуться с несоответствующей распиновкой евроразъема магнитолы по цветам. Или же вообще с самой конструкцией разъема.

Разъем автомагнитолы штекер
В этом случае возможно подключение магнитолы в евроразъем через переходник и провести его распиновку согласно схеме. Так как новейшие автомагнитолы выпускаются уже со стандартным прямоугольным ISO-разъемом, то сложностей быть не должно.
Камера заднего вида
О полезности данного оборудования нет необходимости рассказывать. Камера заднего вида является неоценимым помощником для начинающих автолюбителей, которые, как правило, испытывают трудности при совершении парковочных действий.
По видам (месту и способу) установки различают несколько типов обзорных камер заднего вида:
- Камеры штатной установки. В строго определенных производителем авто местах;
- Универсальные устройства. Место расположения выбирает сам водитель;
- Проводные;
- Беспроводные камеры заднего вида.

В качестве примера используем универсальную проводную камеру и китайскую магнитолу формата 2 din.
Выбираем место установки. Рамка номера, ручка багажного отсека и т.д. В салоне, за задним стеклом камеру располагать не рекомендуется.
Осуществляем прокладку соединяющего камеру и ГО кабеля. Провод пятиметровой длины входит в комплект устройства.
Подсоединяем камеру к питанию. В роли источника выступает любой из фонарей заднего хода. Обязательно используем предохранитель в этой цепи.
Подключаем через тюльпан (разъем) камеру к проигрывателю. Для этого предназначается отдельный выход. В случае его отсутствия устройство присоединяется через вход «видео».
Производим настройку картинки и расположения камеры.
Мультируль
Под таким названием подразумевается подключение китайской магнитолы к рулю автомобиля. То есть обеспечивается возможность управления штатным проигрывателем непосредственно с рулевого колеса.
Для осуществления данного подключения понадобятся:
- Руль с встроенными управленческими кнопками или нишей для их размещения;
- Автомагнитола;

- Два переходника (адаптера) ISO;
- Переходные устройства для антенны и совмещения кнопок руля с магнитолой.
Сразу оговоримся, процесс подключения мультимедийной системы и ее адаптация с мультирулем – процесс не то чтобы сложный, но кропотливый и требующий определенных навыков. Объясняется это тем, что очень часто распиновка такого подключения у автомагнитолы и рулевого колеса не совпадают, хоть и прописаны в инструкциях. И поэтому советуем по возможности обратиться в специализированный центр, занимающийся такого рода установками.
Havel h6 магнитола Тесла. Куча проводов ноль схем, инструкций.У вас статья для простых магнитол. Жаль, надеялся найти свою схему.
Д день! Не подскажите а где можно найти руководства пользователь на китайцев? в частности интересует на SilverStrong Android 8.0-8,1 автомобильный DVD 2Din универсальный DSP android Панель IPS OctaCore Автомобильный gps 7 дюймов Автомобиль Стерео Авторадио Navi 706! Брал на Али! Спасибо.
Видео разбор распиновки автомагнитолы
AUDI Symphony EU TT Разъём магнитолы AUDI Разъём магнитолы AUDI
AUDI SimphonyII CQ-EA1362 Разъём магнитолы AUDI alt=»Разъём магнитолы AUDI» />Разъём магнитолы AUDI
AUDI Concert PLUS Разъём магнитолы AUDI alt=»Разъём магнитолы AUDI» />Разъём магнитолы AUDI
AUDI Concert US Разъём магнитолы AUDI alt=»Разъём магнитолы AUDI» />Разъём магнитолы AUDI
AUDI Chorus (Blaupunkt) Разъём магнитолы AUDI alt=»Разъём магнитолы AUDI» />Разъём магнитолы AUDI
AUDI Chorus EU TT Разъём магнитолы AUDI Разъём магнитолы AUDI
AUDI Chorus (Grundig) Разъём магнитолы AUDI alt=»Разъём магнитолы AUDI» />Разъём магнитолы AUDI
AUDI Beta II Разъём магнитолы AUDI alt=»Разъём магнитолы AUDI» />Разъём магнитолы AUDI
Audi Navigation PLUS II by Blaupunkt, Germany BLAUPUNKT AUDI NAVIGATION D2 (RGB-Display) Разъём магнитолы AUDI Основной разъём. Питание, динамики, ченжер. Разъём магнитолы AUDI
Разъём подключения навигационного блока. Разъём магнитолы AUDI
Разъём подключения телевизионного тюнера. Разъём магнитолы AUDI
AUDI GAMMA CC 4A0 035 186 (Стандартная панель) Разъём магнитолы AUDI alt=»Разъём магнитолы AUDI» />Разъём магнитолы AUDI
AUDI Gamma CC Bose Разъём магнитолы AUDI alt=»Разъём магнитолы AUDI» />Разъём магнитолы AUDI
AUDI Gamma S Разъём магнитолы AUDI alt=»Разъём магнитолы AUDI» />Разъём магнитолы AUDI
AUDI GAMMA CC AUZ2Z3 4A0 035 186 (Широкая панель) Разъём магнитолы AUDI
AUDI BETA CC AUZ1Z2 (4A0 035 152) by Blaupunkt 7 640 846 080 Разъём магнитолы AUDI alt=»Разъём магнитолы AUDI» />Разъём магнитолы AUDI
AUDI Beta CC Autoreverse Разъём магнитолы AUDI alt=»Разъём магнитолы AUDI» />Разъём магнитолы AUDI
AUDI Gamma II Разъём магнитолы AUDI alt=»Разъём магнитолы AUDI» />Разъём магнитолы AUDI
Audi Gamma III (M327) by Blaupunkt (Germany) Разъём магнитолы AUDI alt=»Разъём магнитолы AUDI» />Разъём магнитолы AUDI
AUDI SYMPHONY HE303 Разъём магнитолы AUDI
AUDI CONCERT CD (Made by Grundig) Разъём магнитолы AUDI alt=»Разъём магнитолы AUDI» />Разъём магнитолы AUDI
AUDI RNS-E (4B0 035 192P) Разъём магнитолы AUDI Основной разъём Разъём магнитолы AUDI
Распиновка разъёмов «B» «C» Разъём магнитолы AUDI
32-х контактный разъём Разъём магнитолы AUDI
Распиновка разъёма Разъём магнитолы AUDI
AUDI CONCERT EU B7 SOLO Разъём магнитолы AUDI Разъём магнитолы AUDI
AUDI Delta Разъём магнитолы AUDI alt=»Разъём магнитолы AUDI» />Разъём магнитолы AUDI
AUDI DELTA CC (4DO 035 192A) 7 644 894 380 Разъём магнитолы AUDI alt=»Разъём магнитолы AUDI» />AUDI DELTA CC AUZ1Z4 7 644 895 380 (4D0 035 192) AUDI DELTA CC US AUZ1Z6 7 646 894 380 (4D0 035 192B) Разъём магнитолы AUDI
Разъём активного громкоговорителя AUDI-100 (8A0 035 412A 01C) Разъём магнитолы AUDI
Активные колонки Audi, производитель Nokia (8A0 035 412A.01C) Разъём магнитолы AUDI
Верхний разъём — выходы усилителя, параллельно внутренней колонке, для внешней ВЧ-секции. Кроссовера внутри нет. Средний разъём — то же самое, в параллель верхним контактам. Нижний, слева-направо: 1 = масса. 2 = +12 управление. 3 = вх+. 4 = вх-. 5 = +12
AUDI SIMPHONE CQ-EA1070L AUDI SIMPHONE CQ-EA1071L AUDI SIMPHONE CQ-EA1072L AUDI SIMPHONE CQ-EA1073L AUDI SIMPHONE CQ-EA1074L Разъём магнитолы AUDI Разъём магнитолы AUDI
AUDI SIMPHONE CQ-JA1920L AUDI SIMPHONE CQ-JA1924L Разъём магнитолы AUDI
AUDI SIMPHONE CQ-JA1070L AUDI SIMPHONE CQ-JA1071L AUDI SIMPHONE CQ-JA1072L AUDI SIMPHONE CQ-JA1073L AUDI SIMPHONE CQ-JA1074L Разъём магнитолы AUDI alt=»Разъём магнитолы AUDI» />Разъём магнитолы AUDI
AUDI CONCERT CQ-LA1923L Разъём магнитолы AUDI alt=»Разъём магнитолы AUDI» />Разъём магнитолы AUDI
AUDI CONCERT AUZ5Z3 NP2 4298 4B0 135 186 B (Matsushita El.&Co Made in Japan) CQ-LA 1621L Разъём магнитолы AUDI
-
Подключение магнитолы алпайн 9852rb на галанте
-
Какие диски читает магнитола кларион
-
Магнитола пионер deh 2900mp схема
-
Навигация в магнитоле не видит спутники
- Магнитола грюндиг можно переносная каталог 1975
КИТАЙСКИЕ АВТОМАГНИТОЛЫ
КИТАЙСКИЕ АВТОМАГНИТОЛЫ
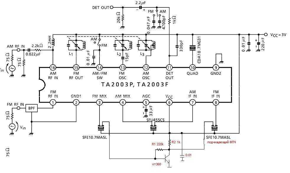
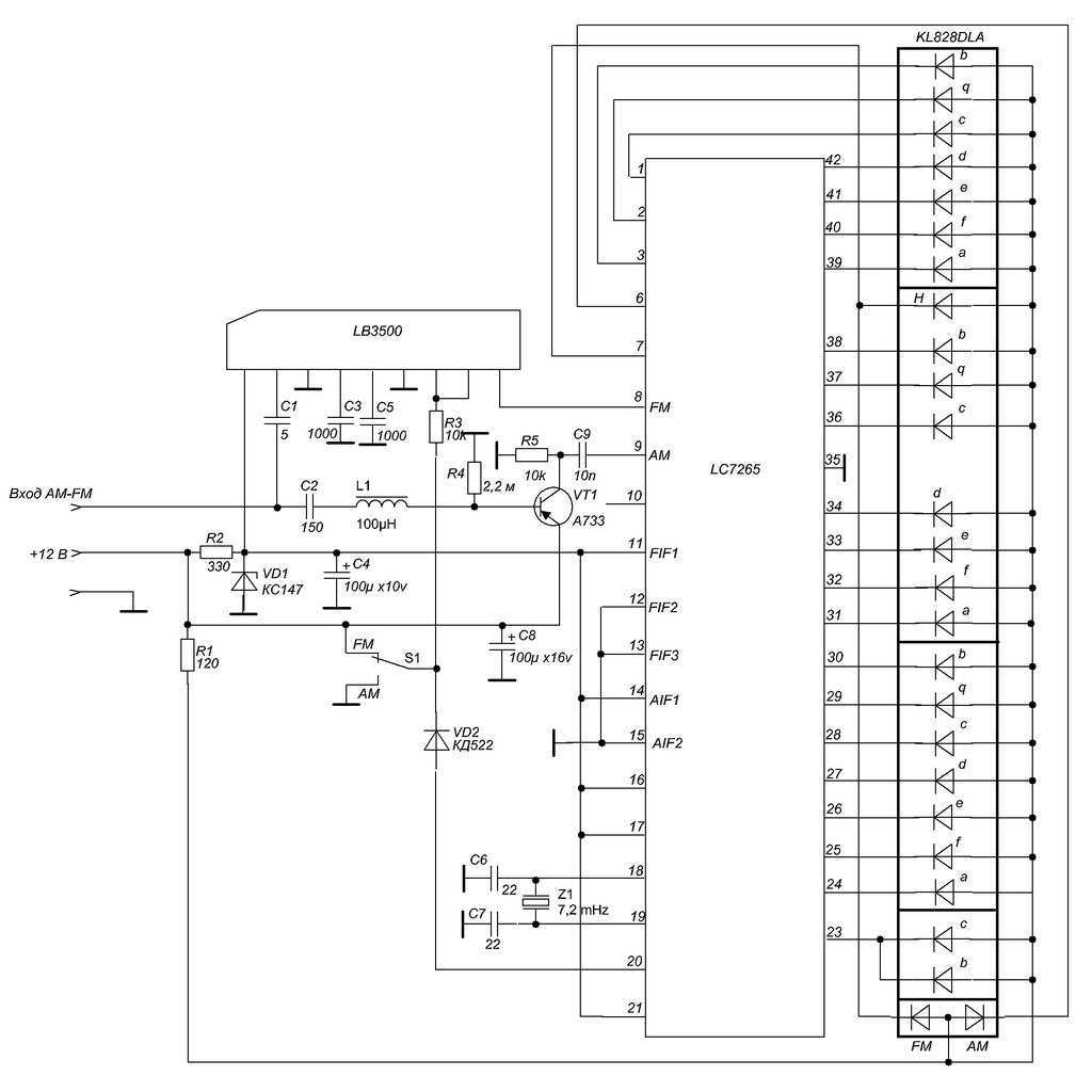
У многих из нас валяются старые, нерабочие или просто немодные китайские автомагнитолы. Начинка у большинства простая — TA2003 + TDA2005 и иногда цифровая шкала на LC7265. В своё время, лет 10 назад это были стоящие девайсы. А сейчас знакомые автомобилисты мечтают избавится от них хотя-бы за символический доллар — лишь бы такие китайские автомагнитолы не валялись в гараже.

Если вы тоже являетесь счастливым владельцем таких устройств — не спешите выкидывать их. Как минимум три полезных блока можно извлечь оттуда и дать им вторую жизнь.
Прежде всего обращает на себя внимание готовый стереоусилитель на TDA2004 — TDA2005. Питание 12 — 16В, мощность около 2 по 10Вт

Можно задействовать этот готовый модуль в качестве УНЧ при ремонте любого телевизора, магнитофона, центра и т д. Или в мостовом включении для сабвуфера, по приведённой ниже схеме.

Главное, что не надо ничего паять, кроме проводов питания, входа и выхода. Выдрали аккуратно микросхему с УНЧ из платы китайской автомагнитолы и усилитель готов.

Следующий по полезности блок из китайской автомагнитолы это готовый ФМ — приёмник на TA2003. Уверенно принимает УКВ и ФМ каналы и имеет чувствительность порядка 5 мкв. Тоже можно использовать и для ремонта, и как самостоятельный девайс — радиоприёмник. Вот даташиты на эту микросхему.


Вся схема тюнера обычно находится на отдельной плате китайской автомагнитолы и ничего паять не нужно (кроме проводов). На шкив регулятора крепится ручка настройки и выводится на переднюю панель.

И ещё одна очень полезная вещь, правда установленная не во всех дешёвых китайских автомагнитолах, это цифровая шкала, или просто частотомер на АЛС-ках и LC7265. Совместно с входным делителем может брать частоты почти до 200 МГц! Схема также стандартная и особенностей не имеет.

Можно использовать по прямому назначению, как цифровую шкалу. А можно и как частотомер — только учтите, что показывать он будет частоту + или — 10.6 МГц. Подключение простое и проблем не вызовет даже у начинающих. LB3500 является входным делителем на 100. То есть, в зависимости от положения переключателя АМ — ФМ, получаем два диапазона: до 2 и до 200 Мгц.


В общем из простой, дешёвой китайской автомагнитолы, которую давно хотелось выкинуть (фото ниже) ![]()

Установка китайской 2DIN Android магнитолы — Mazda 5, 2.0 л., 2008 года на DRIVE2
1. Покупки.
Заказал на Алиэкспрессе 2-диновую андройд-магнитолу. На момент покупки обошлась 161,99 USD. ru.aliexpress.com/item/Fr…n-Stereo/32690483126.html

Полный размер
2-диновую панельку к ней за 24,50 USD. ru.aliexpress.com/item/2-…05-Fascia/1857889465.html

Разъем для магнитолы за 3,96 USD. ru.aliexpress.com/item/Fo…-Tribute/32251181861.html

Цены указал в долларах, потому что меняются постоянно. Брал у этих продавцов в основном потому, что на момент покупки было дешевле, чем у других. Все пришло в целости и сохранности, все отслеживалось на всем протяжении пути.
2. Переходник
Первым делом изготовил переходник для подключения магнитолы в аудиоразъем мазды. Вот аудиоразъем Мазды 5 (разъем J701):

Этот же разъем есть в мануале со схемами (стр. 174, 0920-2а). В Мазде 5 (2008, 2.0, АКПП) использованы не все контакты этого разъема (неиспользуемые контакты обозначены *): A-D, J-M – динамики N, X – питание «+» и «-» соответственно O – сигнал включения габаритов P – регулировка яркости подсветки (этот контакт на китайскую магнитолу не распаивается) T, U – CAN-шина (тоже не стал распаивать, возник вопрос с ее подключением) V – сигнал включения зажигания H – «-»кнопок руля I – «+» кнопок руля В китайском переходнике штырьков на 1 меньше (там 8 пустых контактов). Но если не подключать CAN-шину, и переткнуть пару штырьков, то все отлично подходит.
Вот задняя панель и распиновка разъема китайской магнитолы:

Для подключения музыки нам необходим «5 POWER SUPPLY PORT». 1-8 — Выход на динамики 9,10,18 – входа кнопок управления с руля (у нас только 2 провода на руль, поэтому 9 контакт не распаивается, провод удалил) 11 – плюсовой сигнал, при включении камеры заднего хода (провод заизолировал и оставил висеть в воздухе) 12 – питание усилителя антенны (не распаивается, провод удалил) 13 – сигнал включения зажигания (если замкнуть с 15 контактом, то магнитола будет работать не зависимо от положения ключа зажигания, я не стал этого делать, а распаял как положено) 14 – сигнал включения габаритов (яркость подсветки кнопок и экрана притухают) 15,16 – питание «+» и «-» соответственно 17 – сигнал включения ручника (нафиг не нужен, удалил) 19,20 – CAN-TX, CAN-RX – не знаю куда их подключать. Пытался подключаться к контактам CAN-шины автомобиля, но ничего не получилось. Буду рад советам по
www.drive2.ru
Современная магнитола для Lada Granta FL 2019-2021
Хочу поделиться своей радостью. Не так давно пришлось избавиться от своей старенькой Лады Калина 2008 года. Нужен был новый автомобиль с большим багажником, для работы. Приобрел новую Ладу Гранта универсал 2019 года выпуска. Автомобиль пустой как бочка. Ладно хоть усилитель руля и стеклоподъемники поставили. Первым делом позаботился о безопасности и сохранности автомобиля. Для этого была установлена сигнализация с автозапуском.
Далее встал вопрос о музыке в автомобиле. Посетив несколько салонов автозвука, пришел к выводу, что платить 1500 рублей за подключение двух разъёмов, и устанавливать самую дешевую магнитолу за 4300 рублей я не хочу. Если покупать музыку в машину, то брать только современную магнитолу с экраном. В магазине меня «обрадовали» сообщив, что придется раскошелиться на автомобильную рамку для новой Гранты, потому как панель имеет свою форму, и просто так в неё стандартную 2 Din магнитолу не установить. Выставили мне ценник на магнитолу с рамкой 12800 руб, и еще 1750 за установку всего этого в машину.
Сумма получается не маленькая. Решил повременить с музыкой.
И тут я вспомнил про всем известный Алиэкспресс. Может быть там удастся что нибудь найти на мою новую Гранту.
Скажу честно, искал долго , но это того стоило.
Оказывается что китайцы быстро подсуетились, и создали готовое решение для Lada Granta FL . Они сделали автомобильный мультимедиа центр с навигацией, интернетом, громкой связью, и всякими другими наворотами. Но что меня удивило больше всего, так это цена на эту навороченную магнитолу. Всего за 98 долларов.Вы только представьте, 6500 за такой аппарат!
Заказал в этот же день. Понимал что рискую. Товар новый, покупателей еще не было. И спросить даже не у кого. Но кто не рискует.
Получил через 21 день, целехонькая. Привезли прямо на дом, передали лично в руки. Открываю, а там.
Магнитола с огромным сенсорным экраном. Поверх сенсора стоит очень качественное антибликовое стекло, как на дорогих самсунгах. Всё в плёночках. Пошел ставить.
Установил самостоятельно, за 10 минут.Оказалось что всё идеально подходит.
Магнитола встала как родная, без зазоров. Штатные разъёмы для подключения питания и колонок идеально подошли. Ничего не нужно переделывать.
Ещё в комплекте прислали кучу проводов для подключения камеры, усилителя, антенна для GPS навигации, USB удлинители, и еще много чего.
Сразу переключил в настройках на русский язык. Настроил радио и эквалайзер. Звук у магнитолы шикарный! Басы и высокие частоты настраиваются. И нормально так долбит!Включил видеоклипы, экран и изображение вообще улёт!Оперативки хватает. Память 16 ГБ, много чего можно закинуть в память магнитолы, и не нужно никаких флешек с собой возить. Установил Яндекс навигатор с Алисой, поговорил, всё понимает, работает. Есть уже встроенный в магнитолу микрофон. Пробовал звонить и разговаривать через магнитолу. Очень удобно.
Теперь в одном устройстве Радио, Музыка, Видео, Навигация, Блютус и громкая связь, интернет по Wi-Fi через смартфон, камера, видеорегистратор.
Можно смотреть телек и Ютуб через интернет. Детишкам играть в игры, смотреть мультики. Позже буду ставить камеру заднего вида, и переднюю камеру с видеорегистратором.
Перед тем как заказал магнитолу, нашел способ как сэкономить более 1200 рублей при покупке этой магнитолы и двух камер. Получается что можно получить эти камеры бесплатно, применив при покупке специальные купоны на скидку.
Немного схитрил, и по новой зарегистрировался на сайте, как будто я новый покупатель. Ну это что бы получить купоны на покупку.
Далее получил купоны на 19 долларов и применил их при покупке. Ссылка на купоны
Магнитолу за 6500 нашел тут ( добавил сразу в корзину что бы опять не искать)
Маркировка и виды разъемов
На сегодня все разъемы автомагнитол соответствуют стандарту ISO, причем используются два разъема. Каждый представляет штекер с восемью контактами, иногда производитель может объединить их в цельный корпус. К одному из них подсоединяются источники потребления энергии, он маркируется буквой А. Что касается второго, то к нему подключается акустика, то есть колонки. Обозначение разъема отмечается буквой В.
Переходники для разъемов автомагнитол
В продаже можно найти головные устройства с тремя выходами, но встречаются они редко и обычно представляют исключение.
Даже если подключаемые розетки не соответствуют друг другу, у автовладельца есть несколько вариантов подключения:
- Покупается специальный адаптер для магнитолы, который можно подсоединить к выходам акустической системы.
- Второй способ среди автолюбителей считается «колхозным». Его суть срезать нестандартный выход и подмотать к нему необходимые провода. Но не рекомендуем использовать этот вариант, поскольку в итоге, провода начнут разматываться, так что «колхозную» процедуру придется повторять. Кроме того, стоимость переходников не так велика, чтобы использовать этот способ.






























