Арктур 006 схема управления двигателем
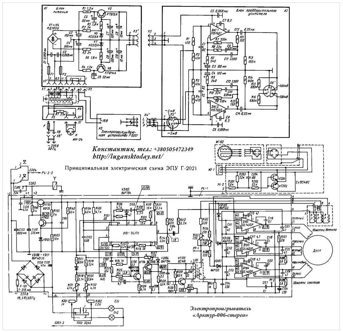
Доработка проигрывателя «Арктур-006» Проигрыватель «Арктур-006-стерео» сделан на базе электропроигрывающего устройства (ЭПУ) типа G-2021 производства польской . В нем используется прямой привод диска, причем двигатель, примененный в этом ЭПУ, является уникальным – он содержит 120 полюсов. Это позволяет добиться высокой равномерности вращения диска даже при его сравнительно небольшой массе. Подобное решение применялось в проигрывателе MT-6225 , о чем немного подробнее в истории. S-образный тонарм оснащен стандартным сменным шеллом. Проигрыватель «Арктур-006-стерео» является очень хорошим аппаратом, и его можно использовать без всяких переделок. Но при желании можно сделать некоторые доработки.
Механический автостоп, реализованный в ЭПУ G-2021, нагружает тонарм на малых радиусах записи (меньше 60 мм). Проблемы особенно сильно проявляются со временем, когда механизм изнашивается и загрязняется. Порой из-за увеличения нагрузки на тонарм проигрывание канавки с малым радиусом становится вовсе невозможным. Часто автостоп просто отключают, удалив некоторые его детали, но более рационально переделать его на бесконтактный.
Штатный тонарм ЭПУ G-2021 не имеет возможности регулировки высоты, что не позволяет производить регулировку вертикального угла (VTA). Такую регулировку можно добавить путем переделки крепления тонарма. Еще один недостаток тонарма — он не имеет фиксации на стойке, что тоже можно исправить. Еще один недостаток проигрывателя — отсутствие подсветки пластинки (Target Light) тоже можно исправить доработкой тонарма.
Примененный в ЭПУ G-2021 использует для работы частоту сети, стабильность которой не очень высока. К тому же, стробоскоп построен на основе неоновой лампочки, яркость которой невысока, а большая длительность вспышек дает размытое изображениене рисок. Устранить эти недостатки можно переделкой стробоскопа на светодиодный, частота работы которого будет стабилизирована кварцем.
Встроенный предусилитель-корректор имеет существенный недостаток, описанный даже в руководстве пользователя. Это высокие искажения после длительного простоя в работе. Связаны они с низкокачественными электролитическими конденсаторами, примененными в цепочке обратной связи. Замена этих конденсаторов проблему устраняет. В остальном предусилитель-корректор вполне приличный, хотя кое-что в нем можно переделать. Например, установить вместо разъемов DIN более привычные RCA.
Штатный блок питания, в общем, всем устраивает. Единственное, надо проверить и при необходимости заменить электролиические конденсаторы. Но при желании блок питания можно несколько переделать.
Прямоприводной двигатель с большим количеством полюсов кроме преимуществ имеет и недостаток – частота коммутации обмоток получается достаточно высокой, и она попадает в звуковой диапазон частот. Это проявляется в виде рокота (доминирует удвоенная частота питания обмоток двигателя, т.е. на скорости 33.33 об/мин она равна 66.66 Гц). При правильной балансировке фаз двигателя по постоянному току и при некотором увеличении зазора в двигателе (ценой увеличения времени разгона) уровень рокота снижается практически до уровня шумов немой канавки.
В ЭПУ G-2021 отсутствует кварцевая стабилизация частоты вращения диска. В результате требуется периодическая подстройка скорости вручную по стробоскопу. Еще одним неудобством является отутствие торможения диска двигателем, в результате диск довольно долго останавливается.
Существует мнение о низкой надежности схемы управления двигателем, что связано с перегревом и выходом из строя микросхем UL1403P. Но при правильной балансировке фаз по постоянному току нагрев микросхем низкий, с выходом их из строя никогда не сталкивался. Хоть прямого аналога у этих микросхем нет, их несложно заменить простой сборкой в виде ОУ с транзисторами на выходе, как сделано в Fisher MT-6225.
Проигрыватель имеет пластиковый корпус, который плохо демпфирован. Это проявляется в виде грохота в колонках при постукивании по корпусу пальцем. Особых неудобств это не доставляет, однако корпус лучше доработать.
В комплекте проигрывателя идет не очень качественная головка MF-102. Она имеет заметный завал на ВЧ и повышенные искажения. Проблема устраняется легко – штатный шелл допускает установку любых головок со стандартным креплением 1/2 дюйма, например, AT-95E.
Как настроить?
Чтобы проигрыватель смог проработать гораздо дольше, необходима правильная настройка. Для этого потребуется схема, которая прилагается к любому проигрывателю. Для начала его надо выставить, а затем установить оптимальный уровень выбранной модели.


После этого нужно заняться настраиванием головки звукоснимателя, ведь от того, как она размещена, будет зависеть не только площадь, но и угол ее соприкосновения с дорожкой винила. Выставить иголку можно при помощи линейки или профессионального транспортира.
На его головке должны находиться два специальных крепежных винтика. С их помощью можно регулировать уровень вылета иголки. При небольшом их послаблении можно переместить каретку и установить уголку на уровне 5 сантиметров. После этого винтики надо тщательно зафиксировать.

Следующий этап – это выставление азимута картриджа. Достаточно взять зеркало и положить его на диск проигрывателя. Затем нужно подвести тонарм и опустить головку звукоснимателя на зеркало, находящееся на диске. При правильном расположении головка должна лежать перпендикулярно.
Одной из немаловажных составляющих проигрывателя считается тонарм. Он предназначается для держания звукоснимателя над диском, а также для плавного перемещения самой головки в то время, когда происходит воспроизведение звуков. От того, насколько правильно будет сделана регулировка тонарма, полностью зависит итоговое звучание мелодии.

Для настраивания необходимо изначально распечатать шаблон. При этом линия проверки должна быть равна 18 сантиметрам. Черная точка, нарисованная на нем, нужна для его установки на шпиндель данного устройства. Когда он будет надет, можно приступать к самой настройке.
Иголку надо установить в центре пересечения линий. Она должна находиться параллельно сетке, сначала проверить все нужно в дальней области решетки, а затем в ближней области решетки.

Еще один важный момент – это настройка прижимной силы тонарма. Для этого надо выставить антискейт на параметр «0». Далее нужно опустить тонарм, а затем при помощи грузиков необходимо постепенно регулировать его. Положение должно быть свободным, то есть картридж должен находиться параллельно деке проигрывателя, при этом ни подниматься, ни опускаться вниз.
Следующим этапом является установка специальной системы противовеса, или, другими словами, антискейтинга. С ее помощью можно предупредить свободное перемещение головки звукоснимателя.

Чтобы сделать более тонкую настройку, необходимо воспользоваться лазердиском. Для этого его надо установить, затем запустить сам проигрыватель. После этого тонарм необходимо опустить вместе с головкой звукоснимателя на диск. Регулировку можно делать при помощи поворота ручки антискейтинга.
Подводя итог, можно сказать, что проигрыватели «Арктур» в прошлом столетии пользовались огромной популярностью. Сейчас они также в тренде, но уже как ретротехника. Поэтому не стоит игнорировать такие стильные и практичные виниловые проигрыватели.
Обзор проигрывателя «Арктур-006» в видео ниже.
Узел коммутации головки
«Разобрал
коробочку, выпаял проводки с головы, больше ничего не трогал. Проводки припаял
напрямую к тюльпанам. Минус припаял к корпусу. Идеально! Но есть небольшой фон,
который усиливается когда дотрагиваешься до тонарма.»
Узел коммутации головки был исключен из схемы, провода от
тонарма сразу идут на корректор. Минус тут в том, что в режиме ожидания
звукасниматель подключен к усилителю и всякие механические воздействия на
тонарм и голову будут незамедлительно воспроизведены в АС.
Доработка
тонарма
«Полностью
разобрать, промыть, смазать и отполировать. Заменить проводку на ЛИЦ (ЛЭШО).
Настроить по таблице.» Тонарм полностью разобран,
лишние детали (в виде контактной площадки шела) изъяты, проводка заменена на
советский добрый ЛИТЦ свитый в пары и натянутый внутри тонарма, см. фото галерею.
Контакты со стороны головки выполнены из позолоченных контактов от разъема типа
DB9.
«Разъемы
оставляйте только на звукоснимателе, все остальное на пайку.» Так и сделал, поэтому замену шела можно теперь выполнить
только с паяльником.
«Самое главное
тонарм хорошо отрегулировать и согласовать с картриджем, по эффективной массе.»
Да, нудная задачка
«Переделать тонарм
— коническая алюминиевая трубка зацело с площадкой под головку (внутри трубку
заполнить пробкой или монтажной пеной), ввести вязкое демпфирование (хотя бы
вертикальных колебаний), применить противовес с центром тяжести ниже точки
подвеса и антискейтинг по типу нитка-гирька. После замены головки и переделки
тонарма поварируйте его массой (доп. грузы на трубку) и вязкостью демпфирующей
жидкости (глицерин, различные масла и т.д.). Если тонарм сильно колеблется, не
держит дорожку — не «лечите» это черезмерным увеличением прижима, а
работайте с резонансными характеристиками самого тонарма;»
Эксплуатация
Как подтверждают отзывы, «Арктур 006» включается одним переключением тумблера. Чтобы диск начал вращаться, необходимо поднести головку звукоснимателя к началу грампластинки, выбрать требуемую дорожку и опустить микролифт. Корректировка частоты вращения и общее управление прибором осуществляется с рабочей панели. После нажатия клавиш «стоп» и «конец стороны», активируется автостоп и возврат тонарма в исходную позицию.
В своих отзывах о проигрывателе винила «Арктур 006″владельцы к существенным преимуществам относят пару регуляторов на 33 и 45 скоростей, увеличивающих точность подстройки оборотистости. В этом случае не требуется проводить манипуляции с отверткой, как в большинстве аналогов тех времен. К негативным моментам причисляют необходимость дополнительной корректировки скорости после очередного прогрева микросхем контроллера электромотора. Кроме того, при покупке агрегата на вторичном рынке, следует проверять отсутствие «плавания» режимов. У рассматриваемых моделей подобная неполадка встречается достаточно часто. Приобретение «старинной» техники всегда представляет собой некоего рода лотерею. В любом случае лучше слегка доплатить, чем купить ненужный «утиль».
Шелл
«а вообще к арктуру подойдет любой
шелл для S-образных тонармов»
«Ну а собсно чем Stanton не устраивает, помоему куда более
симпатичней чем «уголок арктура» Я уже заказал — два Ждемс.»
«Пришли шеллы ((stanton) Мне очень понравились. Легкие! (Но
не пластмасса — сплав какой то) Всем рекомендую. Самое главное голову можно
двигать как хочешь! Буквально за вечер выровнил (на слух конечно, пластинка
есть, но пока не мерил — некогда) уровни в каналах. Да и эффективная масса
тонарма серьезно уменьшилась, но антискейтинг теперь надо переделывать, для
такого шелла сильно грубый»
«поставил Стентоновский шелл-впечатления о нем самые лучшие,
стал как там и был»
«К Арктуру подходит любой стандартный шелл.»
Прослушивание
Слушать проигрыватель мы будем с головкой Shure M97xE (комплектную Unitra MF102 отложим для детских сказок), встроенным фонокорректором на микросхеме К157УД2, усилителем Pioneer a-30 и акустическими системами Амфитон 25 АС-227. При использовании лучшего фонокорректора можно было бы добиться более детальной и глубокой звуковой картины, но встроенная микросхема показала себя на удивление неплохо. С тем лишь уточнением, что данный проигрыватель не претендует на звук класса High End — это вполне себе обычный, добротный Нi-Fi средней ценовой категории, не более того.
Pink Floyd – «Wish You Were Here» (25 AP 1258)
Центральная композиция альбома отыгралась с достаточным количеством деталей, глубиной звуковой сцены, хорошо было передано звучание каждой струны гитары и вокала Дэвида Гилмора.
Kiss – «Asylum» (826 099-1)
Связка проигрывателя и головки звукоснимателя в очередной раз хорошо себя показала: отсутствие какой-либо каши в звуке, прекрасно передается весь драйв и эмоциональная составляющая альбома.
Boney M. – «Love For Sale» (65 359 2)
В тесте советского проигрывателя винила просто невозможно обойтись без «первой группы всех пионерлагерей». Бас был достаточно глубоким, звучал он с присущей этому носителю мягкостью.
Форум – «Белая ночь» (С60 25779 005)
Звук буквально переносит во времена СССР — настолько он мягкий, детальный и живой.
Похожие схемы
Питается УК от стабилизированного блока питания в авторском варианте на интегральных стабилизаторах напряжения и
Необходимо лишь, при наличии измерительной грампластинки, подобрать ёмкость конденсатора С1, добиваясь минимальной неравномерности АЧХ УК в полосе частот Питается УК от стабилизированного блока питания в авторском варианте на интегральных стабилизаторах напряжения и
Затем снять металлический диск , он никак не фиксируется и сделать это не сложно.
Устанавливаем в проигрыватель на штатное место. На плате управления двигателем все детали импортные, в стабилизаторе же и предусилителе-корректоре — наши, советские. Собираем все в кучу. Принципиальная схема одного канала для микросхемы DA1 номера выводов второго канала указаны в скобках разработанного УК приведена на рис.
Читайте дополнительно: Рд 34 45 51 300 97 скачать
Содержание / Contents
Хобби может и совсем опасть Это нормально. В и авторы указывают на субъективную оценку уровня шума УК по сравнению с уровнем шума немой канавки грампластинки. Для удобства монтажа неиспользуемые выводы микросхем или панелек изгибают под углом либо отламывают.
Причём следует иметь ввиду, что при отключенном разъёме, то есть без нагрузки, это напряжение может быть несколько выше до 19 вольт. Алексенко А.
Вот некоторые из перечисленных факторов, принятых во внимание при разработке предлагаемого УК, характеристики которого по расчёту намного выше, чем встроенного штатного. Субъективная оценка качества звуковоспроизведения проводилась без эталонного УК.
Арктур 006 проигрыватель
Кладовка. Выпуск №34
Минусы
— Недостаток Арктура по сравнению с Арией: злаполучные
микросхемы на плате управления двигателем. Придется
минимизировать риски выхода из строя этих редких микросхем дабы устранить сей минус
— У Арктура сильный рокот, надо очень точно подстраивать
напряжение на каждой обмотке и зазоры между тремя обмотками и ротором, поэтому
выбрал Арию, к тому же она и посимпатичней смотрится. Настройки
магнитной системы произвести не так уж и сложно, что и было сделано мной в
процессе апгрейда сего девайса. Более лучшие параметры можно получить
настройкой системы управления двигателем.
— Откровенное говно двигатель этого Арктура и генератор для
этого двигателя, а также плата управления ЭПУ. Просто
не умеете его готовить, что ту еще можно сказать J
— Прямой привод (помехи, плавание скорости, видимо
температурно не стабилизирован). Да, кварцеванию
данный аппарат без серьезных переделок не подлежит, но это считаю не проблема,
при правильной настройке диск вполне себе держит заданную скорость.
— Подшипник сделан из рук вон плохо, жуткий люфт. Изначально люфт в тонарме действительно был жутким, но
это легко устраняется регулировочными винтами тонарма, подшипник скольжения диска
вполне сделан прилично, просто надо его смазать.
— Навеска на тонарм обоймы для антискейтинга и автостопа
(увеличивает вес)
— Тонарм (убогий антискейтинг, топорная обработка скобы в
которой вращается тонарм, проблематичность регулировки тонарма в горизонтальной
и вертикальной плоскости). Опыта cвинилом не мнго, поэтому nocomments.
Смазка.
«Для смазки
подходит Литол. Конечно старую смазку лучше смыть, и положить новую.»
«Одну каплю в
подшипник тонарма. Также по капле в подшипники двигателя, ролика,
промежуточного вала.» Ну тут все
понятно, сомнений не вызывает, такчто так и делаем.
«да и
микролифт/автостоп прыгучий. У меня тоже был прыгучий довольно, пока демпферную
смазку не обновил везде где она должна быть…»
Двигатель
«в подпятнике,
вместо пластика стальной шарик. Шпиндель отрегулирован, стабилизатор частоты
оборотов переделан. Теперь на стробоскопе насечки стоят как вкопанные.» Это мы оставим на случай когда совсем много свободного
времени будет некуда девать.
Электроника
«В схему
ставится стабилизатор и пропадают все проблемы с электроникой.»
«С питанием
было обнаружено еще вот что:
У меня еще в
1984 г. одна УЛ-ка сразу же крякнула, в бытрадиотехнике еле достали 2 шт.
запасных, заработал только со вторым экз. ul1403p: впаивали, затаив дыхание).
Разобравшись со схемой, выяснил, что параллельно ОУ включена лампочка индикации
скорости, и тогда напруга питания в норме. Когда тонарм заводится на стойку,
лампочка отключается и напряжение подпрыгивает раза эдак в полтора от
указанного на схеме. Причем питание операционников нестабилизированное и
подается сразу же при включении аппарата кнопкой на лицевой панели. в 86м долго
не мудрил: простейший стабилизатор из транзистора, стабилитрона, резистора был
припаян навесным монтажом прямо на плату, в разрыв питания ОУ. Так все и
работает до сих пор.
Аналогично был доработан еще один такой же
«АРКТУР-006», не дожидаясь «шухера»: броски U пит. тоже
присутствовали.»
Стабилизатор в
схему ставим, но всех проблем с электроникой это не решит, да и решение это так
сказать на любителя. Я например заметил, что без стабилизатора динамика разгона
диска была лучше, т.е. диск выходил на заданные обороты быстрее, видимо это
связано с ограничением пуского тока после установки стабилизатора, пока его не
было, двигатель получал достаточно энергии от трансформатора. А лампочки
индикации скорости заменил синими яркими светодиодами, уменьшив потребляемую
нагрузку, хоть чуть но разгружаем трансформатор питания, потребляемый ток.
Рассмотрим поближе
Аппарат, который я недавно приобрел с рук, был произведен в 1985 году. Со слов предыдущего владельца, у проигрывателя была проделана вся необходимая для нормальной работы профилактика. Как оказалось на поверку — внутри стоят советские электролиты, однако их емкости соответствуют номиналу. В проигрывателе стоит все заводское, не считая петель-держателей крышки (заводские довольно хрупкие). Вмешательств, помимо замены головки звукоснимателя, не было, хотя и существует масса способов добиться от него существенно лучшего звука и способов его доработать. Но лично я не вижу в этом никакого смысла: в стоке проигрыватель звучит вполне прилично, а если хочется лучшего звука — незачем уродовать технику, которую уже не выпускают, ее не так много осталось, проще сразу купить аппарат классом повыше.
Похожие схемы
Питается УК от стабилизированного блока питания в авторском варианте на интегральных стабилизаторах напряжения и
Необходимо лишь, при наличии измерительной грампластинки, подобрать ёмкость конденсатора С1, добиваясь минимальной неравномерности АЧХ УК в полосе частот Питается УК от стабилизированного блока питания в авторском варианте на интегральных стабилизаторах напряжения и
Затем снять металлический диск , он никак не фиксируется и сделать это не сложно.
Устанавливаем в проигрыватель на штатное место. На плате управления двигателем все детали импортные, в стабилизаторе же и предусилителе-корректоре — наши, советские. Собираем все в кучу. Принципиальная схема одного канала для микросхемы DA1 номера выводов второго канала указаны в скобках разработанного УК приведена на рис.
Источник
Модели
Чтобы понять, что собой представляют такие проигрыватели, необходимо ознакомиться с самыми популярными моделями.
«Арктур 006»
В 83 году прошлого столетия на Бердском радиокомбинате совместно с польской фирмой «Унитра» был выпущен данный проигрыватель. Это послужило доказательством того, что в Советском Союзе также могут делать качественную технику. Даже сегодня данная модель может составить конкуренцию некоторым зарубежным проигрывателям.
Что касается технических характеристик «Арктура 006», то они следующие:
- имеется регулятор прижимного типа;
- есть частотная настройка;
- имеется автоматическая остановка;
- есть микролифт, переключатель скоростей;
- диапазон частот равен 20 тысячам герц;
- диск вращается со скоростью 33,4 оборота в минуту;
- коэффициент детонации равен 0,1 процента;
- уровень шума равен 66 децибелам;
- уровень фона равен 63 децибелам;
- весит электропроигрывателя не меньше 12 килограммов.


«Арктур-004»
Данный электропроигрыватель типа стерео выпустил Бердский радиозавод в 81 году прошлого столетия. Его прямым предназначением считается прослушивание пластинок. Состоит он из двухскоростного ЭПУ, электронной защиты, контроля уровня сигнала, а также автостопа и микролифта.
О технических характеристиках можно сказать следующее:
- диск вращается со скоростью 45,11 оборота в минуту;
- коэффициент детонации равен 0,1 процента;
- диапазон частот равен 20 тысячам герц;
- уровень фона – 50 децибел;
- вес модели равен 13 килограммам.

«Арктур-001»
Появление данной модели проигрывателя датируется 76 годом прошлого столетия. Создан он был на Бердском радиозаводе. С его помощью воспроизводились различные музыкальные программы. Сделать это можно было при помощи микрофонов, тюнеров или магнитных приставок.
Технические характеристики «Арктура-001» следующие:
- диапазон частот равен 20 тысячам герц;
- мощность усилителя равна 25 ваттам;
- питание происходит от сети 220 вольт;
- весит модель 14 килограммов.

«Арктур-003»
В 77 году прошлого столетия на Бердском радиозаводе была выпущена еще одна модель проигрывателя. Его прямым предназначением считается воспроизведение звуковых записей с пластинок. Разработка была сделана на основе конструкции «Арктур-001».
Что касается технических характеристик, они следующие:
- диск вращается со скоростью 45 оборотов в минуту;
- диапазон частот равен 20 тысячам герц;
- коэффициент детонации – 0,1 процента;
- весит такое устройство 22 килограмма.


В культуре [ править ]
Как одна из самых ярких звезд на небе, Арктур имел большое значение для наблюдателей с древних времен.
Исторические культуры править
Доисторические полинезийские мореплаватели знали Арктура как Хокулеа , «Звезду радости». Арктур - зенитная звезда Гавайских островов . Используя Hōkūleʻa и другие звезды, полинезийцы спустили свои каноэ с двойным корпусом с Таити и с Маркизских островов . Путешествуя на восток и север, они в конце концов пересекли экватор и достигли широты, на которой Арктур появлялся прямо над головой в летнем ночном небе. Зная, что они достигли точной широты цепи островов, они плыли строго на запад по пассатам.к берегу. Если Hōkūle’a может быть прямо над головой, они приземлились на юго — восточном берегу Большого острова из Гавайев . Для обратного путешествия на Таити мореплаватели могли использовать Сириус, зенитную звезду этого острова. С 1976 года полинезийской рейсовых Общество «s Hōkūle’a пересек Тихий океан много раз при навигаторах , которые включили эту Таблички технику в их без инструмента навигации.
В древней Месопотамии он был связан с богом Энлилем , также известным как Шудун, «иго», или ШУ-ПА, происхождение которого неизвестно в вавилонских звездных каталогах « Три звезды каждая», а позже — в MUL.APIN около 1100 г. до н.э.
В Древнем Риме предполагалось, что небесная активность звезды предвещает бурную погоду, и олицетворение звезды выступает в качестве рассказчика пролога к комедии Плавта « Руденс» (около 211 г. до н.э.).
В средние века Арктур считался бехенской неподвижной звездой и приписывался камню Яшме и траве подорожника . Корнелиус Агриппа перечислил его каббалистический знак под альтернативным именем Алхамет .
Karandavyuha сутра , составленный в конце 4 — го века или в начале 5 — го века, имена одного из Авалокитешвары в медитативной поглощенности , как «лицо Арктура».
Одна из возможных этимологий, предлагаемых для имени « Артур », предполагает, что оно происходит от «Арктура» и что раннесредневековый персонаж, на котором основан миф о короле Артуре , первоначально был назван в честь звезды.
Современные культуры править
Арктур прославился, когда, по слухам, его свет был механизмом, использовавшимся для открытия Всемирной выставки в Чикаго 1933 года . Звезда была выбрана, поскольку считалось, что свет от Арктура начал свое путешествие примерно во время предыдущей Всемирной выставки в Чикаго в 1893 году (на расстоянии 36,7 световых лет от нас свет фактически начался в 1896 году).
Звезда упоминается в документальном фильме 1977 года « Силы десяти» , в котором ее можно увидеть, когда камера приближается с Земли на всю известную вселенную.
Инструкции и мануалы
Займемся пока встраиванием нового винил-корректора. Можно сдавать заказчику.
Плату УК целесообразно поместить в экран, защищающий от электромагнитных полей. Он собран на операционном усилителе с коррекцией в цепи обратной связи.
Для удобства монтажа неиспользуемые выводы микросхем или панелек изгибают под углом либо отламывают. Заключение Кроме всего прочего, будет очень полезно почистить кинематику ЭПУ, убрать старую, загустевшую смазку и смазать всё по новой.
В статьях даются оценки их качества либо по фактически достигнутым техническим характеристикам, либо по субъективным впечатлениям от звучания; при этом в сравнении разных УК предпочтение нередко отдают последним .
Затем снять металлический диск , он никак не фиксируется и сделать это не сложно. Нумерация и расположение деталей левого канала соответствуют аналогичным, отражённым на рис.
Дополнительно попросил встроить мой винил-корректор вместо штатного.
Устранить эти недостатки можно переделкой стробоскопа на светодиодный, частота работы которого будет стабилизирована кварцем. Порой из-за увеличения нагрузки на тонарм проигрывание канавки с малым радиусом становится вовсе невозможным.
Начало ремонта «Арктура-006»





![Арктур содержание а также номенклатура [ править ]](http://basis-tp.ru/wp-content/uploads/0/1/8/018d38d14585bb60da898b7900f47fd4.jpeg)








![Арктур содержание а также номенклатура [ править ]](http://basis-tp.ru/wp-content/uploads/d/4/4/d447cbae8ad373a1094bf4fe0728b3ce.jpeg)















