Резисторы
Качественный ламповый усилитель Hi-End – это ретроприбор. Конечно, детали для его сборки должны быть соответствующие. Вместо резистора может подойти углеродный и проволочный элемент. Если вы не жалеете средств на разработку этого прибора, следует применить прецизионные резисторы, которые довольно дорого стоят. В ином случае применимы МЛТ-модели. Это довольно неплохой элемент, о чем свидетельствуют отзывы.
Ламповые усилители Hi-End также применимы с ВС-резисторами. Их изготавливали около 65 лет назад. Отыскать такой элемент довольно просто, достаточно всего лишь прогуляться по радиорынку. Если вы применяете резистор с мощностью больше 4 Ватт, нужно выбирать проволочные эмалированные элементы.
Блок питания для лампового УМЗЧ — электрическая схема
Источник постоянного тока состоящий из регулятора напряжения на LM317HVT используется для стабилизации тока выходного каскада. Ток смещения можно регулировать путем изменения текущей настройки резистора (10-22 Ома), и это позволит использовать в процессе экспериментов множество различных радиоламп. Для удобства введён переключатель, он может быть использован, чтобы легко регулировать ток смещения. Сюда можно ставить лампы типа 6550, KT88, KT90.
Довольно хорошее качество компонентов используются в наборе усилителя. Переходной конденсатор российского производства — бумага в масле (PIO). Тип помечен как K40У-9 (0.33uF / 630V), который хорошо звучит и популярен среди любителей аудио. Но не стесняйтесь экспериментировать с различными другими конденсаторами. Резисторы — углеродные пленки. Выходной трансформатор — Edcor CXPP25-MS-8к, мощностью 25 Вт.
Питание поступает на УНЧ через разъем, расположенный на задней панели усилителя. На входе 220 В есть 3 ампер предохранитель и фильтр помех. Силовой трансформатор Edcor с выходными обмотками 180V-0-180 В в 250 мА и 12 В на 4 А. Питание 12V постоянного тока используется для накалов ламп. Схема на LM555 и реле, используется для задержки подачи питания анодов.
Конденсаторы
В установке лампового усилителя следует использовать различные типы конденсаторов для самой системы и блока питания. Они, как правило, применяются для регулировки тембра. Если вы хотите получить качественный и естественный звук, следует применять разделительный конденсатор. В этом случае появляется малый ток утечки, который позволяет изменить рабочую точку лампы.

Такой вид конденсаторов подключается к анодной цепи, по которой течет большое напряжение. При этом необходимо подключать конденсатор, который поддерживает напряжение больше 350 вольт. Если вы хотите применять качественные элементы, нужно использовать детали от компании Jensen. Они отличаются от аналогов тем, что их цена превышает 3 000 рублей, а цена самых качественных радиоэлементов доходит до 10 000 рублей. Если применить отечественные элементы, лучше выбирать между моделями К73-16 и К40У-9.
Испытания собранного усилителя
Все синусоидальные выходные сигналы (на выходной мощности 25 Вт), что посмотрел между 20 Гц и 20 кГц, были идеальные копии входного сигнала. Общий коэффициент усиления усилителя около 10,3 (20.3 дБ). При выходном уровне около 15 Вт, частотный диапазон был плоский между 20 Гц — 13 кГц, и спад около 0,2 дБ на 20 кГц. Так что всем рекомендую подобные конструкторы, работают они ничуть не хуже готовых ламповых усилителей, промышленной сборки, за несколько тысяч долларов!
Форум по обсуждению материала НАБОР ДЛЯ СБОРКИ ЛАМПОВОГО УСИЛИТЕЛЯ
|
|
||
|
|
Ламповый усилитель на КТ88 — схема
Первый каскад, после входа аудиосигнала — SRPP усилитель на лампе 5751, это миниатюрный двойной триод. Но и другие лампы могут быть использованы в драйвере, ближайший аналог — 12AX7, которая даст дополнительное усиление. Ещё 12AU7, ECC82 и ECC802S могут использоваться, но они не будут в состоянии обеспечить достаточное усиление, чтобы раскачать KT88 на полную мощность.

Выходной каскад является инвертирующим Push-Pull усилителем, который базируется на стандартном включении. Есть только один разделительный конденсатор по всему сигнальному пути, что очень хорошо. Элегантность и абсолютная простота этой схемы усилителя понравится всем аудиофилам, которые предпочитают как можно меньше компонентов в тракте сигнала.
Сборка
Начнем сборку с предварительного усилителя. Монтаж его происходит по довольно простой схеме. Также необходимо предусмотреть регулировку мощности и разделитель на регулировку тембра. Он должен быть настроен на низкие и высокие частоты. Чтобы повысить срок годности, нужно применить многополосный эквалайзер.

В смехе предварительного усилителя можно увидеть сходства с распространенным двойным триодом 6Н3П. Необходимый для нас элемент можно собирать аналогичным способом, но использовать оконечный каскад. Это также повторяется в стереофоническом варианте. Помните, что конструкция должна быть собрана на монтажной плате. Сначала ее необходимо отладить, а потом можно установить на шасси. Если вы все правильно установили, то прибор должен сразу включиться. Дальше следует перейти к настройке. Величина анодного напряжения для разных типов ламп будет отличаться, поэтому нужно будет подбирать ее самостоятельно.
Я выбрал советские лампы и китайскую сборку
Самый простой ламповый усилитель собирается на советских лампах типа 6ж«Х», где Х — цифра от 1 до 12. В зависимости от конкретной цифры, меняется звучание готового устройства и некоторые условия настройки, не критичные для готового изделия.
Преимущество этой схемы — невероятная простота и возможность отказаться от громоздкого трансформатора — лампы этого типа можно питать не переменным, а постоянным током! Вот с этого и начинается «дешево и сердито».
К тому же, лампы этого типа до сих пор выпускаются (завод восстановлен американским бизнесменом). Да и раньше были очень распространены: на любом рынке их можно покупать десятками. Кроме того, их можно заменить на не менее распространенные E180F или 6688. Китайские производители выпускают на базе этих ламп множество готовых аудиорешений различного назначения.
Блок питания для лампового УМЗЧ — электрическая схема
Источник постоянного тока состоящий из регулятора напряжения на LM317HVT используется для стабилизации тока выходного каскада. Ток смещения можно регулировать путем изменения текущей настройки резистора (10-22 Ома), и это позволит использовать в процессе экспериментов множество различных радиоламп. Для удобства введён переключатель, он может быть использован, чтобы легко регулировать ток смещения. Сюда можно ставить лампы типа 6550, KT88, KT90.

Довольно хорошее качество компонентов используются в наборе усилителя. Переходной конденсатор российского производства — бумага в масле (PIO). Тип помечен как K40У-9 (0.33uF / 630V), который хорошо звучит и популярен среди любителей аудио. Но не стесняйтесь экспериментировать с различными другими конденсаторами. Резисторы — углеродные пленки. Выходной трансформатор — Edcor CXPP25-MS-8к, мощностью 25 Вт.

Питание поступает на УНЧ через разъем, расположенный на задней панели усилителя. На входе 220 В есть 3 ампер предохранитель и фильтр помех. Силовой трансформатор Edcor с выходными обмотками 180V-0-180 В в 250 мА и 12 В на 4 А. Питание 12V постоянного тока используется для накалов ламп. Схема на LM555 и реле, используется для задержки подачи питания анодов.
Простой усилитель Василича
Для воспроизведения музыкальных файлов формата (FLAC) с высоким битрейтом (lossless) в составе домашнего медиа центра мною уже несколько лет используется простой (для самостоятельного изготовления) и весьма качественный усилитель мощности звуковой частоты, собранный по следующей схеме.

В УМЗЧ использована современная элементная база. На АС (сопротивлением 6 ом) усилитель развивает мощность до 30 Вт. Этого вполне достаточно для большинства жилых помещений. Коэффициент гармонических искажений не превышает 0,005%. Усилитель охвачен глубокой обратной связью в широком диапазоне частот. Коэффициент усиления определяется отношением сопротивления R8 к R5 и равен 7. При желании, его можно увеличить, изменяя номинал сопротивления R8 в большую сторону. УМЗЧ имеет высокую скорость нарастания сигнала. Частоты верхнего слышимого диапазона он воспроизводит без искажений, на слух очень прозрачно. Не превращает звук тарелок в шипение, а барабана в бубнение, как некоторые УМЗЧ, собиравшиеся мною на интегральных микросхемах типа TDA 1558 и LM 3886. Шумовая полка данного усилителя ниже — 120 dB (что также не достижимо для усилителей на микросхемах).
Для питания каждого из каналов усилителя был использован отдельный (не общий) блок питания без гальванической связи с общим проводом, что обеспечило защиту АС от постоянного тока. Трансформаторов может быть два, каждый мощностью по 60 — 80 Вт либо один мощностью 120 — 150 Вт с двумя вторичными обмотками по 40 В (отдельными для каждого канала). В своем компактном УМЗЧ (160х160х105 мм) я использовал один тороидальный трансформатор на 120 Вт. Выбран тороид потому, что он наиболее компактный, тихий и создает минимум помех. Схема БП приведена ниже.

В блоке питания могут использоваться любые выпрямительные диоды с максимальным током более 10 А и напряжением не ниже 100 В. Электролитические конденсаторы (по 2 на каждый канал) от 6800 до 15000 мкФ напряжением не ниже 50 В. Шунтирующие конденсаторы (С11 — С14) от 0,1 до 1,0 мкФ не электролитические (бумажные либо пропиленовые).
Для проектирования платы использовалась программа Sprint-layout. В связи с использованием СМД резисторов, которые установлены со стороны дорожек, плата получилась очень компактной (57х42 мм).
Две платы для УМЗЧ изготовлены по ЛУТ-технологии (с помощью лазерного принтера и утюга).
Фотографии простого усилителя Василича приведены ниже.

Усилитель прост в изготовлении, не требует сложных регулировок. В случае, если ток покоя оконечных транзисторов выходит из диапазона 100 — 200 мА необходимо подобрать резистор R14. С увеличением его номинала увеличивается ток покоя, с уменьшением — снижается. Полевые транзисторы на выходе усилителя обеспечивают отличную термостабилизацию без каких-либо дополнительных схемных решений. Правый и левый канал УМЗЧ не имеют общей земли. Даже входные разъемы не соединены между собой. Входной конденсатор С1 (от 0.22 до 1.0 мкФ) желательно поставить пропиленовый либо другой высококачественный, имеющий низкий уровень собственных шумов. Это обеспечит УМЗЧ минимальный уровень искажений. По этой же причине я отказался от регулятора громкости в самом усилителе. С регулировкой уровня сигнала прекрасно справляются медиа плееры и штатные средства операционной системы персонального компьютера.
Рекомендую усилитель для изготовления начинающим радиолюбителям.
Творческих успехов и приятного прослушивания музыки!
Хочу еще поделится практическим опытом. При значительном увеличении емкости входного конденсатора усилителя С1 (более 1.0 мкФ) и уменьшении конденсаторов С15 и С16 в БП ниже 6800 мкФ возможно возбуждение усилителя на низкой частоте. В моем случае возбуждение одного из каналов произошло при емкости конденсаторов БП 6800 мкФ. Это проблема была решена путем уменьшения С1 усилителя с 1.0 мкФ до 0.68 мкФ. Второй канал оказался более устойчив и таких изменений не потребовал.
Хочу дешево и сердито. Какие есть варианты?

Итак, с типом обновления определенность есть. Но что покупать — всегда большой вопрос. Современные цифровые усилители предлагают массу дешевых, но качественных вариантов.
Аналоговые системы сегодня считаются уделом аудиофилов. Со всеми вытекающими проблемами: «золотыми» проводами, уникальными схемами питания (сочиненными без знаний электротехники), огромными размерами и ужасающими ценниками.
Вариантов остается немного: сделать самому или купить все такой же огромный усилитель из далекого прошлого. Впрочем, последний вариант может оказаться очень интересным, если заниматься не только звуком, но и украшением комнаты. В условиях ограниченного рабочего пространства 20-килограммовый агрегат окажется лишним. Да и рядом с современной компьютерной техникой такие решения нисколько не смотрятся.
Путь самурая-самодельщика долог и сложен. Однажды мы коснемся и этой темы. А сегодня поговорим о том, что будет, если простую аналоговую схему заказать в виде уже готового усилителя из Китая. На самом деле, получится намного лучше, чем собирать самому — уж по-крайней мере, в среднестатистическом случае. Дешевле и надежнее.
Звуковая аппаратура своими руками

Во времена технического прогресса, когда смартсфоны уже настолько тонкие, что ими можно блины на сковороде переворачивать, а на телевизорах ну никак не могут с комфортом покемарить няшные котейки, я решил сотворить ламповый усилитель в максимально возможном тонком корпусе. Набравшись уже достаточно опыта в лампостроении и, выпрямив руки до нужной кондиции, я решил выйти на новую планку качества в схематехническом и дизайнерском планах. Придумывать свою схему я не стал, а просто взял наработку из интернета под названием «Покемон». Схема в стерео варианте, состоящая из одной лампы 6Н23П в раскачке и двух оконечных 6П14П. Мощность 4,3 Ватта в канале. Вся схема разведена мною на одной моноплате. Блок питания и выходные трансформаторы на печатном монтаже. Лишь сетевые трансформаторы вынесены за экран. Корпус высотой 45 мм. С защитными стойками для ламп. На передней панели стерео гнездо 6,3, две ручки громкости и два индикатора мощности. Индикаторы были мною переделаны из советских амперметров путём замены шкалы и сборки схемы измерения мощности. Фон выведен в полный ноль. Если при нулевом сигнале выкрутить потенциометры на максимальную мощность и прислонить ухо к резонатору динамика, не будет слышно ровно никаких гудений, свистов и посторонних призвуков. Подобный эффект достигнут сверхнадёжной схемой питания и глухой экранировкой питающих трансформаторов. Усилитель собирал в течение 3 месяцев и меня удовлетворил по всем параметрам. Если раньше я писал, что сборка ламповых усилителей и гитарных ламповых эффектов мне почти перестала доставлять удовольствие, то в этом случае результат меня «прёт что надо». К чему можно подключить этот девайс? — Компьютеру. Кабелем 3,5 на 6,3. — К виниловому проигрывателю со встроенным предусилителем. — К гитаре. Да-да, как гитарный девайс он тоже хорош. Частота межкаскадными емкостями не зажата, что просто шикарно для подключения гитары, или связки гитара + примочка. Единственный нюанс – нужно подключать вместо широкополосок гитарные 4 Ом,ные динамики (или один динамик а на второй выход вешать эквивалент нагрузки чтобы не спалить выходные трансформаторы).
— При желании даже к мобилке, или профессиональному айфону. Слушать нереально качественную музыку из ВК, или поймать радио Шансон, лузгать семки и строить дерзкие планы на вечер. В конечном итоге усилитель пошёл в подарок отцу на день рождения, заменив его китайские скрипящие и сквончащие недоколонки, которые я давно уже хотел выкинуть. Полную версию статьи с описанием процесса сборки, платой, схемой и видео обзором в будущем можно будет прочитать на сайте Datagor.ru, где я публикуюсь.
Трансформаторы
Еще один важный момент – использование различных трансформаторов. Как правило, применяются силовой и выходные, которые необходимо подключать перпендикулярно. Таким образом вы сможете уменьшить уровень низкочастотного фона. Трансформаторы следует располагать в заземленных кожухах. Необходимо помнить, что сердечники каждого из трансформаторов также следует заземлить. Не нужно применять экранированный провод, когда будете устанавливать приборы, чтобы не появились дополнительные проблемы. Конечно, это не все особенности, связанные с монтажом. Их довольно много, и все рассмотреть не получится. При установке Hi-End (лампового усилителя) нельзя использовать новые элементные базы. Их сейчас применяют для подключения транзисторов и интегральных микросхем. Но в нашем случае они не подойдут.
УНЧ на KT88 — сборка и настройка

Для сборки набора достаточно иметь базовые навыки пайки, а вся работа займёт несколько вечеров. Комплект содержит много деталей, но следуя инструкциям, результат будет успешным. Прежде чем начать монтировать оборудование, нужно изучить принципиальную схему, чтоб она отпечаталась в памяти — там проще будет собирать, примерно зная что куда.

Питание и настройка баланса между лампами выходного каскада. Это делается с помощью мультиметра, который вставляется в контрольных точках в верхней части усилителя и далее регулировка 25-омным потенциометром. После часа работы, вы должны проверить баланс еще раз. У меня было расхождение всего несколько миллиампер за месяц ежедневной работы.

После балансировки смещения подключил акустику Fostex FE206E (96 дБ / 1 Вт) и проверил на гул. Всё нормально. Что касается БП, надеялся получить около 60-секундной задержки при включении питания, однако не мог получить больше, чем примерно 30 секунд.

Радиатор для LM317 был довольно горячий — около 100 C (максимальная температура эксплуатации LM317HVT — 125 C). Температуры силового трансформатора и аудио выходного были 65 C до 45 C соответственно.
↑ О конструкции
В качестве материала шасси был взят композит (структура – толстая алюминиевая фольга с двух сторон и внутри пластик) у рекламщиков, можно гнуть, резать, пилить, сверлить.

И вообще у рекламщиков много чему поживиться можно из остатков алюминиевых профилей, пластика и другого листового материала. Места изгибов можно делать строительным ножом, но я их отфрезеровал заточенным под фрезу сверлом с помощью бытового фрезера по дереву на малых оборотах. Стыки проклеены термоклеем и дополнительно прогреты, чтобы клей протек в стыки. Шина земли проведена по центру корпуса. Некоторые детали и колодки приклеены тем же термоклеем, держится хорошо. Корпус заземлен. Вот, что получилось:
УНЧ на KT88 — сборка и настройка

Для сборки набора достаточно иметь базовые навыки пайки, а вся работа займёт несколько вечеров. Комплект содержит много деталей, но следуя инструкциям, результат будет успешным. Прежде чем начать монтировать оборудование, нужно изучить принципиальную схему, чтоб она отпечаталась в памяти — там проще будет собирать, примерно зная что куда.

Питание и настройка баланса между лампами выходного каскада. Это делается с помощью мультиметра, который вставляется в контрольных точках в верхней части усилителя и далее регулировка 25-омным потенциометром. После часа работы, вы должны проверить баланс еще раз. У меня было расхождение всего несколько миллиампер за месяц ежедневной работы.

После балансировки смещения подключил акустику Fostex FE206E (96 дБ / 1 Вт) и проверил на гул. Всё нормально. Что касается БП, надеялся получить около 60-секундной задержки при включении питания, однако не мог получить больше, чем примерно 30 секунд.

Радиатор для LM317 был довольно горячий — около 100 C (максимальная температура эксплуатации LM317HVT — 125 C). Температуры силового трансформатора и аудио выходного были 65 C до 45 C соответственно.
Ламповый усилитель на КТ88 — схема
Первый каскад, после входа аудиосигнала — SRPP усилитель на лампе 5751, это миниатюрный двойной триод. Но и другие лампы могут быть использованы в драйвере, ближайший аналог — 12AX7, которая даст дополнительное усиление. Ещё 12AU7, ECC82 и ECC802S могут использоваться, но они не будут в состоянии обеспечить достаточное усиление, чтобы раскачать KT88 на полную мощность.

Выходной каскад является инвертирующим Push-Pull усилителем, который базируется на стандартном включении. Есть только один разделительный конденсатор по всему сигнальному пути, что очень хорошо. Элегантность и абсолютная простота этой схемы усилителя понравится всем аудиофилам, которые предпочитают как можно меньше компонентов в тракте сигнала.
Уникальный аппарат
Ламповые усилители Hi-End – это особый класс бытовой техники. С чем это связано? Во-первых, у них есть довольно интересный дизайн и архитектура. В этой модели человек может увидеть все, что ему нужно. Это делает аппарат поистине уникальным. Во-вторых, характеристики лампового усилителя Hi-End отличаются от альтернативных моделей, в которых используют транзисторно-интегральные схемы. Отличие Hi-End в том, что во время монтажа используется минимальное количество деталей. Также, оценивая звучание данного аппарата, люди больше доверяют своим ушам, чем измерениям нелинейных искажений и осциллографу.
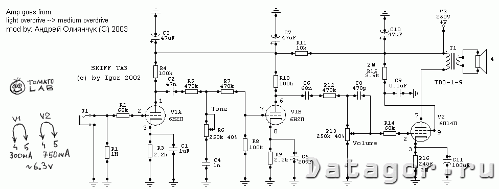
↑ О схеме
В проработку были взяты 3 схемы: Skiff TA3; AX84 P1 Tube Guitar Amplifier Project; темброблок от Marshall JCM-800 и набор трансформаторов от радиолы Урал 110.
![]()
Схема 1. Skiff TA3

Схема 2. AX84 P1

Схема 3. Темброблок от Marshall
В схему P1 теоретически, а потом и практически были внесены нужные изменения: 1. С16 — 1 мкф 2. R24 – 2.2k 3. R21 – 510k (это позволило увеличить глубину перегруза) 4. Проводил эксперимент с C12, устанавливая танталовый, 10 мкф – существенных изменений замечено не было 5. Заменил темброблок на Маршаловкий, который, как мне показалось, даже лучше трехполосника 6. Катодный резистор у 6П14П, как в Скиффе-240 Ом 7. R8 – 48k 8. В связи с тем, что выходной трансформатор имеет отвод на первичной обмотке для подключения 9 ноги выходной лампы, R7 исключен, хотя в начальном варианте был подключен и звук был нормальный.
Сочетание ретро и современных технологий

Я выбрал LynePAudio A962, как наиболее доступное и универсальное.
Итак, на борту имеем:
- выходной усилительный каскад на 2 лампах 6ж9 в китайском исполнении,
- встроенный цифровой ЦАП с декодированием аудиопотока 16-32 бит, 44.1/48 КГц,
- поддержка ASIO,
- 2 высокоомных выхода для наушников с импедансом от 16 до 600 Ом,
- линейный стереовыход на RCA для использования в качестве преампа,
- цифровой вход (USB),
- аналоговый вход 3,5 и RCA.
Внушает? Еще как, ведь конечная мощность усилителя — 1,1 Вт для нагрузки в 32 Ома. Для настольной игрушки этой цифры хватит даже мониторы раскачать, не говоря уже о любых портативных наушниках.

Плата аккуратно упакована в красивый корпус и может украсить любой интерьер. Особенно — рабочий стол. Очень круто! И реально экономит время — даже если потом придется дорабатывать.
Внешний вид LynePAudio A962 действительно стоит того, чтобы купить готовое изделие, а не заморачиваться самоделкой. Удобство и простота использования еще важнее. Включил — пользуйся.
Для работы с цифровыми источниками аудиосигнала не требуются драйвера или дополнительный софт (если не использовать смартфон). Встроенный ЦАП цифровой и переваривает большинство форматов, поступающих с компьютера или смартфона: съедает и MP3, и FLAC, и WAV. Впрочем, есть ограничение до 32 бит и 48 КГц. DSD не переваривает вовсе.

При наличии качественного ЦАП можно обойтись без встроенного. Для этого у LynePAudio A962 есть отдельный аналоговый вход (мини-джек на 3,5 миллиметра). Не самое правильное решение, но иногда пригодится. Он работает на удивление стабильно, но требует толстый провод. Желательно — с хорошим экранированием.
Ламповый усилитель Hi-End своими руками
Перед началом монтажа необходимо разобраться с некоторыми правилами для сборки такого рода приборов. Нам необходимо будет применить основной принцип монтажа ламповых приборов – минимизацию креплений. Что это значит? Вам нужно будет отказаться от монтажных проводов. Конечно, это не везде получится сделать, но их количество необходимо свести к минимуму.

В хорошем ламповом усилителе Hi-End применяются монтажные лепестки и планки. Они используются в виде дополнительных точек. Такая сборка называется навесной. Также вам нужно будет распаивать резисторы и конденсаторы, которые находятся на ламповых панелях. Крайне не рекомендуется использовать печатные платы и собирать проводники так, чтобы получились параллельные линии. Таким образом сборка будет выглядеть хаотичной.




























